Curiosii for ever!: Car repair manuals for everyone.

Accelerator Linkage, Servicing



Accelerator Linkage, Servicing







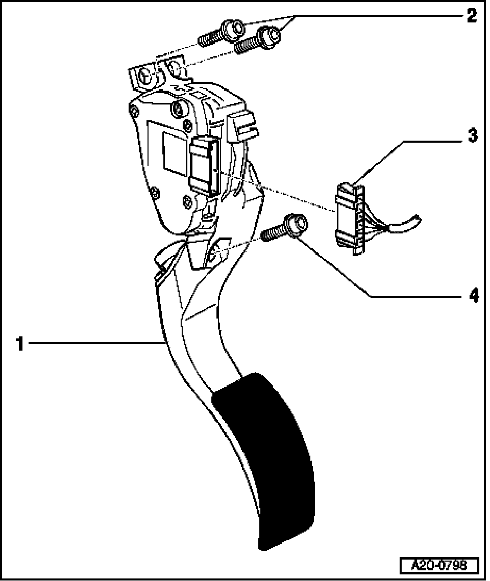
1 - Accelerator pedal module
- with Throttle Position (TP) sensor-G79- and sender -2- for accelerator pedal position -G185-
- Throttle Position (TP) Sensors -G79-and - G185-
2 - 10 Nm
3 - 6-pin harness connector
4 - 10 Nm