Curiosii for ever!: Car repair manuals for everyone.

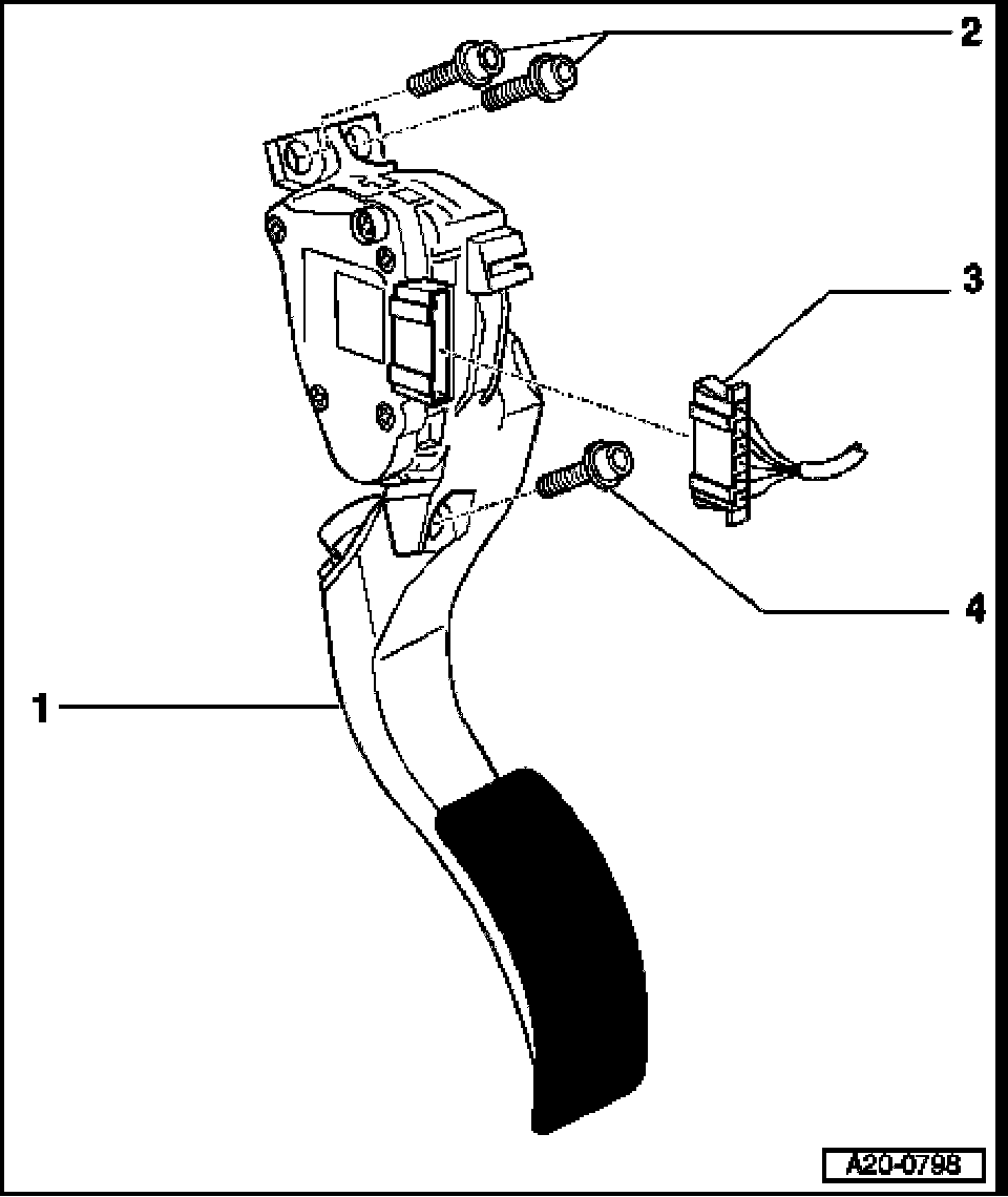
Accelerator Pedal, Servicing



Accelerator Pedal (AP), Servicing - Vehicles With Electronic Power Control (EPC) (drive By Wire)







1 Accelerator pedal module
- With Throttle Position (TP) Sensor -G79 and Sender -2- for accelerator pedal position -G185-
2 10 Nm (7 ft lb)
3 6 pin connector
4 10 Nm (7 ft lb)