Curiosii for ever!: Car repair manuals for everyone.

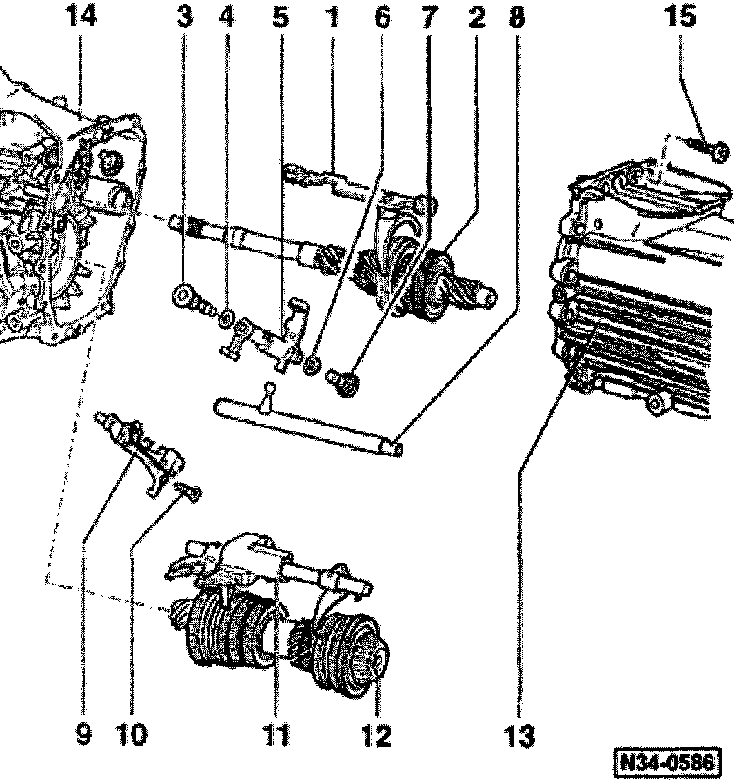
II Input Shaft/Pinion Shaft/Selector Rods/Trans Cover: Overview



Input Shaft, Pinion Shaft, Selector Rods and Trans Cover, Removing and Installing






1. Shift rod with shift fork for 3rd and 4th gear
- Disassembling and assembling, Transmission Selector Mechanism, Disassembling & Assembling
- Replacing bushing Transmission Selector Mechanism, Disassembling & Assembling
2. Input shaft
- Disassembling and assembling, Input Shaft, Disassembling & Assembling
- Adjusting, Input Shaft, Adjusting
- Servicing input shaft ball bearing, Input Shaft, Adjusting
3. Left stop bolt
- 40 Nm (30 ft. lbs.)
4. Washer
5. Relay shaft
- Installation position, Transmission Selector Mechanism, Disassembling & Assembling
6. Washer
7. Right stop bolt
- 40 Nm (30 ft. lbs.)
8. Shift rod
- Installation position, Transmission Selector Mechanism, Disassembling & Assembling
- Replacing shift rod sealing washer, Transmission Selector Mechanism, Disassembling & Assembling
9. Shift detent
- Installation position, Transmission Selector Mechanism, Disassembling & Assembling
- 25 Nm (18 ft. lbs.)
- With shoulder to secure shift detent spring
11. Shift rod with shift fork for 1st, 2nd, 5th and reverse gear
- Disassembling and assembling, Input Shaft, Disassembling & Assembling
- Removing and installing ball sleeve, Fig. 2 Removing and Installing Ball Sleeve
12. Pinion shaft
- Disassembling and assembling, Pinion Shaft, Disassembling & Assembling
- Adjusting, Pinion Shaft, Adjusting
- Servicing pinion shaft ball bearing, Pinion Shaft, Disassembling & Assembling
13. Transmission cover
- Coat sealing surfaces with thin layer of sealant AMV 1 88 00 1 02
- Removing and installing oil collector tray Fig. 1 Removing and Installing Oil Collector Tray
14. Transmission housing
- Match components according to transmission code letters found in parts supplier
15. Torx bolt
- 22 Nm (16 ft. lbs.)