Curiosii for ever!: Car repair manuals for everyone.

I Input Shaft Ball Bearing and Multi-Function Switch: Overview



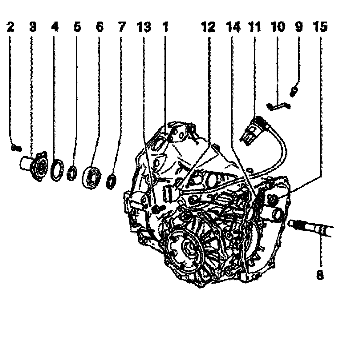
Input Shaft Ball Bearing and Multi-Function Switch, Removing and Installing






1. Transmission housing
- With differential and flange shafts
- Removing and installing flange shafts Drive Flange Seal, Replacing
- Removing and installing differential Differential, Removing and Installing
- Removing and installing speedometer vehicle speed sensor (VSS) Service and Repair
- Removing and installing speedometer drive gear Service and Repair
- Breather installation position, Breather Installation Position
2. Torx bolt
- Always replace
- 35 Nm (26 ft. lbs.)
- Self-locking
3. Guide sleeve
- Installed with O-ring and seal for input shaft Clutch Release Mechanism, Servicing
4. Dished washer
- Smaller diameter (convex side) faces guide sleeve
5. Circlip
- Determining thickness and inputshaft adjusting Input Shaft, Adjusting
6. Input shaft ball bearing
- Removing and installing Input & Pinion Shaft, Selector, Cover: Disassemble/Assemble
7. Circlip
- Determining thickness and inputshaft adjusting Input Shaft, Adjusting
8. Input shaft
- Removing and installing Overview
- Disassembling and assembling Input Shaft, Disassembling & Assembling
- Adjusting Input Shaft, Adjusting
- Servicing input shaft ball bearing Input Shaft, Disassembling & Assembling
9. Socket-head bolt
- 25 Nm(18 ft. lbs.)
10. Locking plate
- For multifunction switch
11. Multi-function switch
12. Multi-function switch harness connector
13. Socket-head bolt
- 10 Nm (7 ft. lbs.)
14. Cover for shift rod
- Removing and installing Transmission Selector Mechanism, Disassembling & Assembling
15. Gear lock for 5th and reverse gear
- Removing and installing Removing and Installing Gear Lock For 5TH and Reverse Gear