Curiosii for ever!: Car repair manuals for everyone.

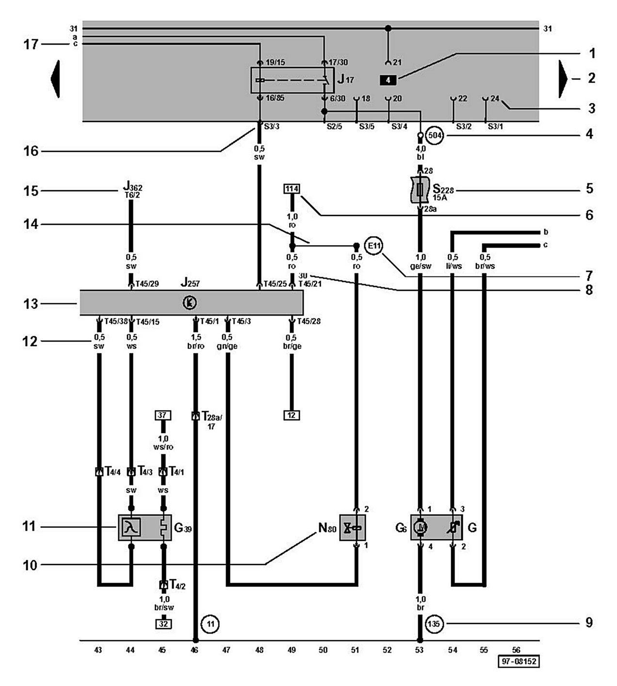
How to Read Displayed Page of Wiring Diagram



How To Read Wiring Diagram






1 - Relay location number
Indicates location on relay panel.

2 - Arrow
Indicates wiring circuit is continued on the previous and/or next page.

3 - Connection designation - relay control module on relay panel
Shows the individual terminals in a multi-point connector. For example: contact 24 on terminal 4 on relay panel.

4 - Diagram of threaded pin on relay panel
White circle shows a detachable connection.

5 - Fuse designation
For example: S228 = Fuse number 28, 15 amps, in fuse holder

6 - Reference of wire continuation (current track number)
Number in frame indicates current track where wire is continued.

7 - Wire connection designation in wiring hamess
Location of wire connections are indicated in the legend.

8 - Terminal designation
Designation which appears on actual component and/or terminal number of a multi-point connector.

9 - Ground connection designation in wire harness
Locations of ground connections are indicated in legend.

10 - Component designation
Use legend at bottom of page to identify the component code.

11 - Component symbols

12 - Wire cross-section size (in mm2) and wire colors
Abbreviations are explaining in color chart beside the wiring diagram.

13 - Component symbol with open drawing side
Indicated component is continued on another wiring diagram. The number of corresponding wiring diagram can taken from list of contents.

14 - Internal connections (thin lines)
These connections are not wires. Internal connections are current carrying and are listed to allow tracing of current flow inside components and wiring harness.

15 - Reference of continuation of wire to component
For example: Control module for anti-theft immobilizer J362 on 6-Pin Connector, terminal 2

16 - Relay panel connectors
Shows wiring of multi-point or single connectors on relay panel For example: S3/3 - Multi-point connector S3, terminal 3

17 - Reference of internal connection continuation
Letters indicate where connection continues on the previous and/or next page.