Curiosii for ever!: Car repair manuals for everyone.

Air Flow Meter/Sensor: Service and Repair



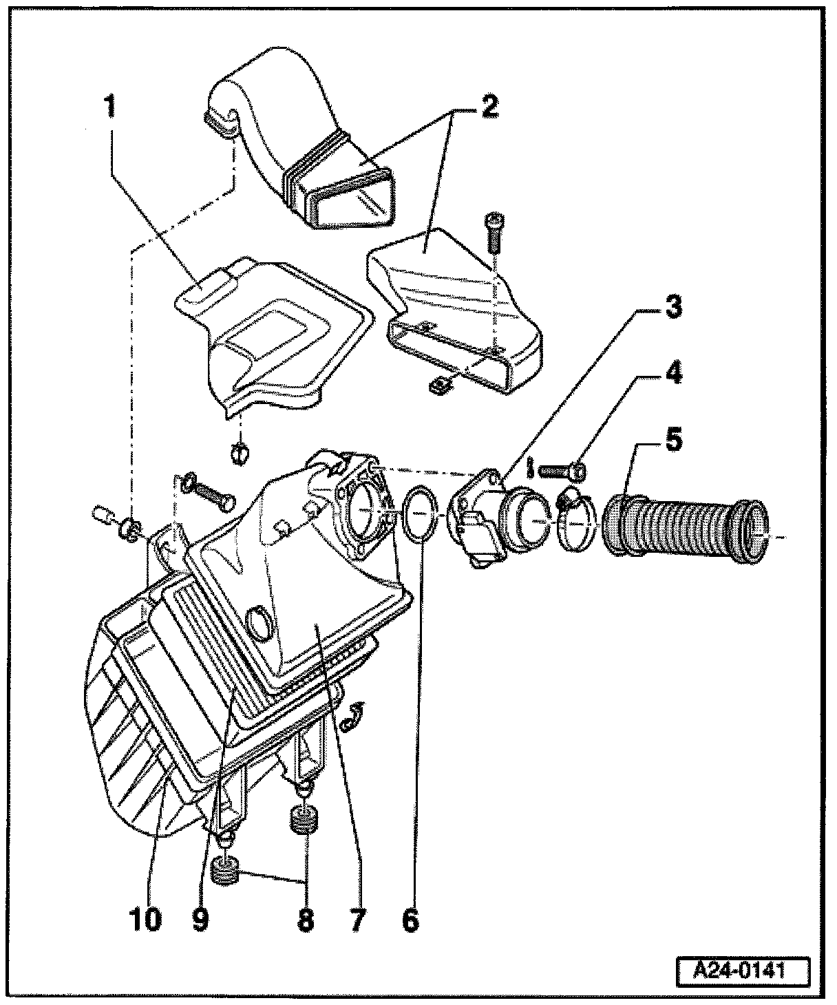
Air Filter, Disassembling And Assembling






1 - Cover
2 - Air duct

- to metering unit

3 - Mass Air Flow (MAF) sensor -G70-
4 - 10 Nm
5 - Connection hose
6 - Seal
7 - Air filter, upper portion
8 - Rubber grommet
9 - Filter element
10 - Air filter, lower portion