Curiosii for ever!: Car repair manuals for everyone.

Catalytic Converter: Service and Repair





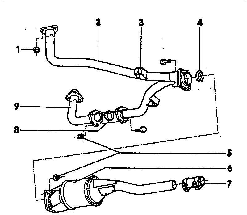
NOTES:
^ Installation of double clamp between center muffler and rear muffler. Refer to Exhaust System, Aligning Free of Stress.
^ Crossmember mounting bolt, Tighten to: 22 Nm (16 ft. lbs.).

1 Nut
- Tighten to: 30 Nm (22 ft. lbs.)
- Tightening. Refer to Exhaust System, Aligning Free of Stress.
3 Bracket for front exhaust pipe.
- Assembly. Refer to Exhaust System, Assembling Bracket For Front Pipe.
4 Sealing ring
5 Nuts
- Tighten to: 25 Nm (18 ft. lbs.)
6 Three Way Catalytic Converter (TWC)
- Aligning. Refer to Exhaust System, Aligning Free of Stress.
7 Double clamp
- Tighten to: 40 Nm (30 ft. lbs.)
- Tighten nuts evenly
- Installation. Refer to Exhaust System, Aligning Free of Stress.
- Replace bolts each time they are loosened
8 Sealing ring
9 Front exhaust pipe, right side