Curiosii for ever!: Car repair manuals for everyone.

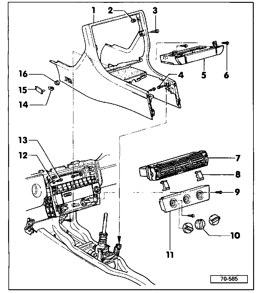
Front Center Console, Assembly

Front center console, assembly




1 - Front center console
2 - Speed nut
3 - Bolt
4 - Bolt
5 - Ashtray
6 - Bolt
7 - Center air outlet
8 - Switch mounting trim
9 - Screw
10 - Rotary switch
11 - Trim plate for heater controls
12 - Packing
13 - Bolt
14 - Retaining clip
15 - Cover
16 - Nut