Curiosii for ever!: Car repair manuals for everyone.

Compressor Clutch Coil: Service and Repair

CAUTION:
- Before working on the electrical system Determine the correct coding for the anti-theft radio.
- Disconnect the battery Ground (GND) strap.
- Note that the A/C clutch can be serviced with the refrigerant system charged.
- Do not re-use fasteners that are worn or deformed in normal use.
- Some fasteners are designed to be used only once, and are unreliable and may fail if used a second time. This includes, but is not limited to, nuts, bolts, washers, circlips and cotter pins. Always follow recommendations in this manual-replace these fasteners with new parts where indicated, and any other time it is deemed necessary by inspection.

Removal and Installation:
To access A/C clutch for removal:
- Mark travel direction of ribbed belt
- Remove ribbed belt.
- Remove A/C compressor from bracket.





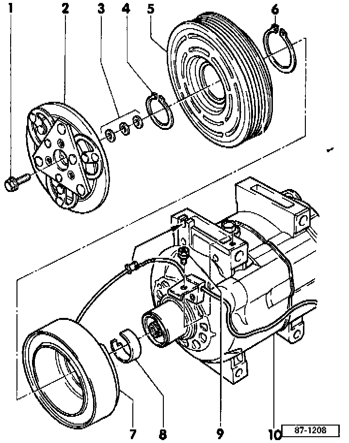
1 - Bolt
- 15 Nm (11 ft. lb)
2 - Clutch plate
3 - Shims
- Remove or install to adjust gap between clutch plate and belt pulley
- Gap: 0.3 - 0.6 mm (0.012 - 0.024 in.)
4 - Snap ring
- Always replace
- Install with flat side toward compressor and make sure it is properly seated in groove
5 - Belt pulley
6 - Snap ring
- Always replace
- Install with flat side toward compressor and make sure it is properly seated in groove
7 - Clutch coil
8 - Felt ring
- Always replace
9 - Screw
10 - A/C compressor (Zexel)

Removing and Installing Bolt for Clutch Plate:





- Hold clutch plate using spanner wrench -A- (44-4 or equivalent).
Spanner wrench pin diameter: 4 mm (5/32 in.)
- Remove bolt.
Tightening torque: 15 Nm (11 ft lb)
- Install in reverse order of removal.





- Attach VAG1719 puller onto clutch plate as shown.
- Hold puller using spanner wrench -A- (3212 or equivalent).
- Remove clutch plate using wrench.

Removing Belt Pulley:





- Remove felt ring.
- Attach VAG1719/1 spacer onto pulley hub.
- Attach puller -B- (US 1078 or Kukko 20-10) at shoulder -A-.
- Remove pulley.

CAUTION: Only use shoulder -A- to remove pulley. Do not use any other surface or pulley damage will result.





- Clean pulley and compressor contact surfaces.
- Install belt pulley using VAG1719/2 adapter and plastic hammer.
- Install new felt ring.

Installing Clutch Coil:





- Install clutch coil so that pin -A- engages in recess.





- Using feeler gauge, check gap around entire circumference.
- Must be 0.3 - 0.6 mm (0.012 - 0.024 in.)

NOTE
: Gap must be within tolerance around entire circumference of compressor clutch.