Curiosii for ever!: Car repair manuals for everyone.

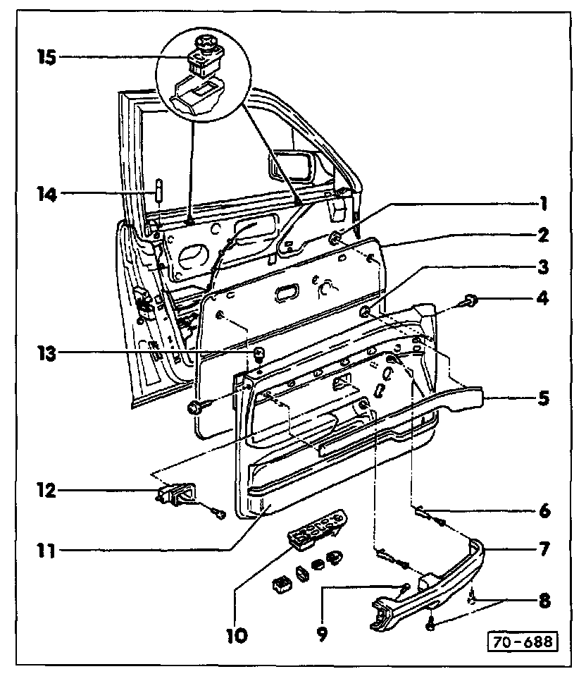
Front Door Panel

Front door trim panel, removing and installing





1 - Clamping washer
2 - Barrier
3 - Clamping washer
4 - Screw
5 - Trim
6 - Retainer for arm rest
7 - Armrest
8 - Socket-head screw
9 - Socket-head screw
10 - Switch plate
11 - Door trim panel
12 - Inside door release mechanism
13 - Guide for door lock knob
14 - Lock knob
15 - Height adjustment clip