Curiosii for ever!: Car repair manuals for everyone.

Door Locks

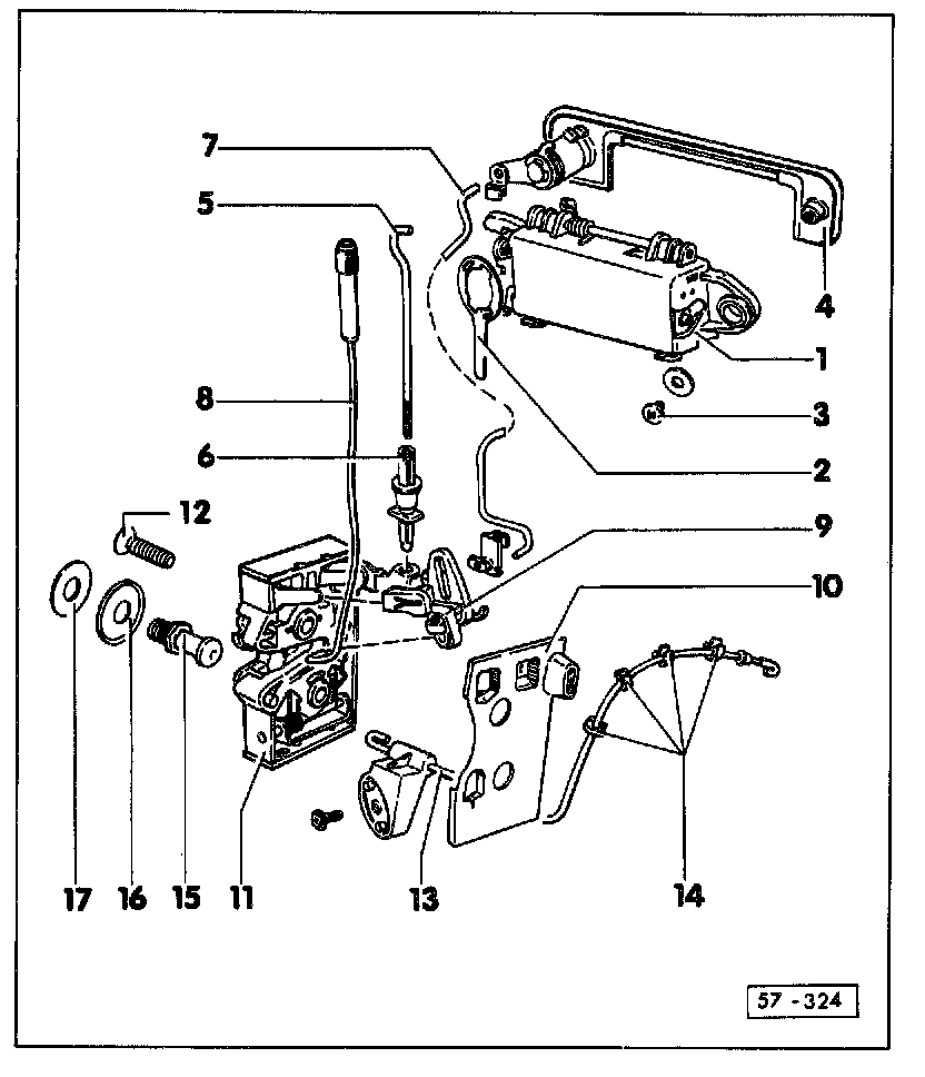
Door lock with actuating components, servicing





1 - Door handle
2 - Pivoting clip
3 - Screw
4 - Trim plate
5 - Lock operating rod
6 - Operating mechanism clip
7 - Lock cylinder locking rod
8 - Locking rod
9 - Fastener
10 - Seal
11 - Door lock
12 - Screw
13 - Bowden cable for internal door mechanism
14 - Clips
15 - Striker pin
16 - Dished washer
17 - Plastic washer