Curiosii for ever!
: Car repair manuals for everyone.
Home
>>
Audi
>>
1995
>>
90CS Quattro V6-2.8L (AAH)
>>
Repair and Diagnosis
>>
Diagrams
>>
Exploded Views
>>
Front Door Exterior Handle
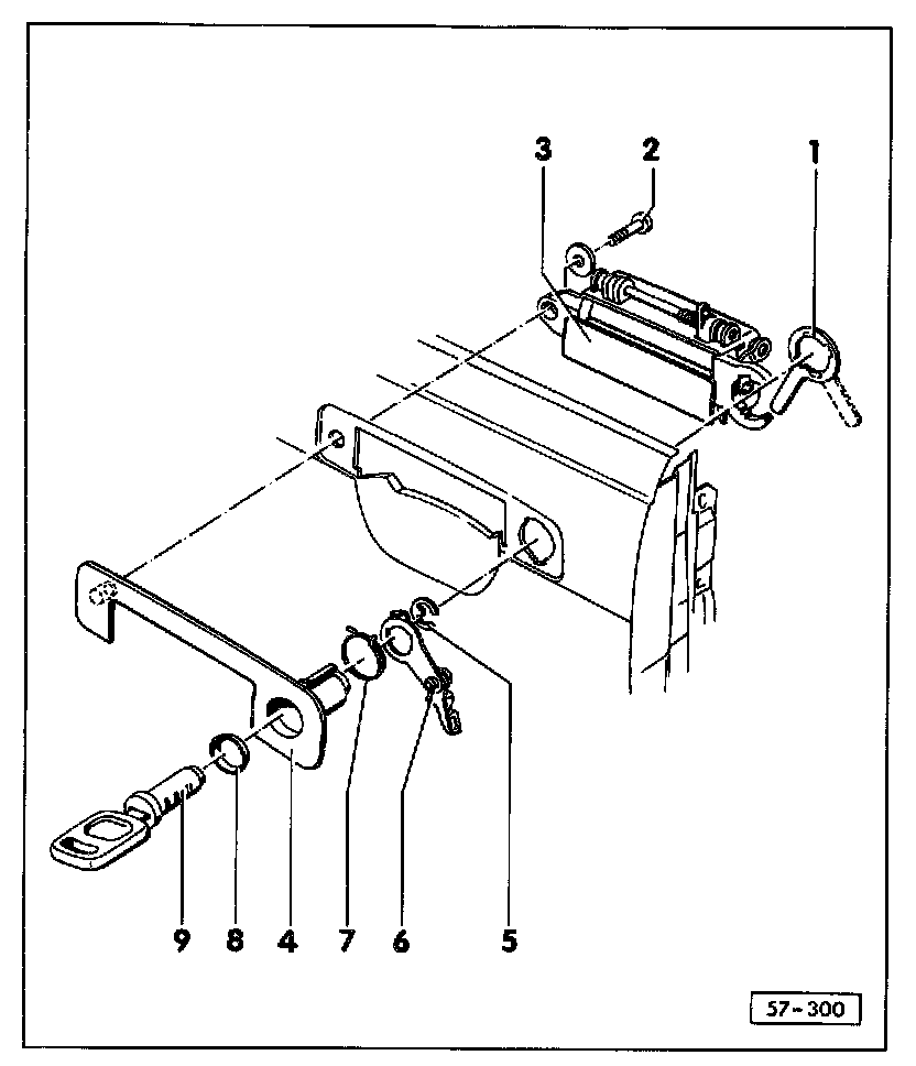
Front Door Exterior Handle
Door handle
1 -
Pivoting clip
2 -
Screw
3 -
Door handle
4 -
Trim plate
5 -
Circlip
6 -
Operating lever with bushing
7 -
Spring
8 -
Seal
9 -
Lock cylinder