Curiosii for ever!: Car repair manuals for everyone.

Alternator: Service and Repair

NOTE: On air bag equipped vehicles, refer to Air Bags (Supplemental Restraint Systems), Service Precautions. Also refer to Air Bag(s) Arming and Disarming.

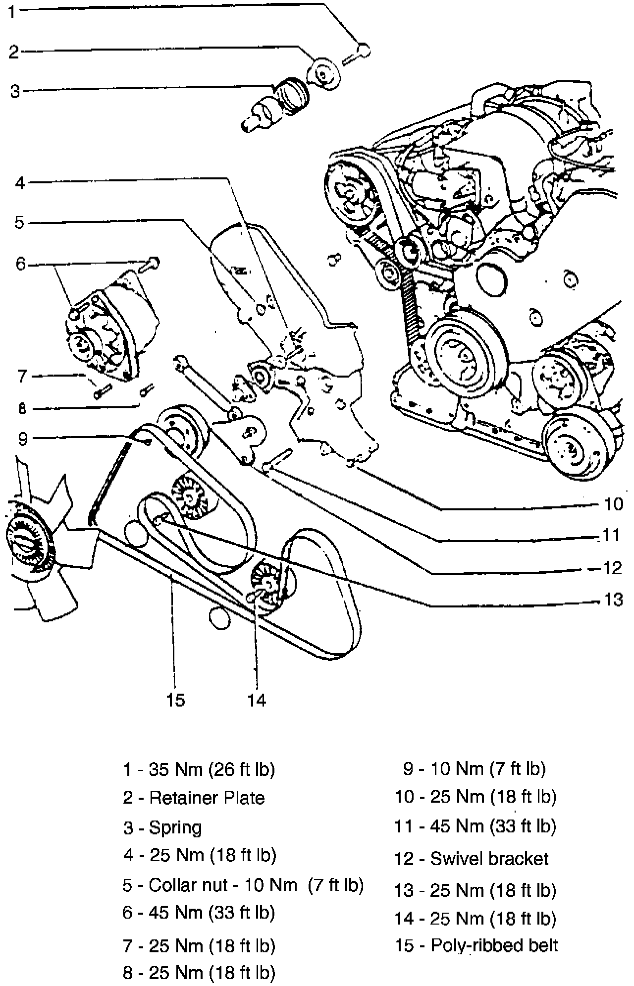
Fig.4 Alternator Removal.:





Fig.2 Drive Belt Pulley Removal:





1. Vehicles with audio coded antitheft system refer to Radio/Stereo, Service Precautions.
2. Disconnect battery ground cable.
3. Remove serpentine drive belt Fig.4, then disconnect electrical connections from alternator.
4. Remove alternator mounting bolts and brackets, then alternator.
5. Remove belt pulley using puller tool No. 3310, or equivalent, Fig.2.
6. Reverse procedure to install.