Curiosii for ever!
: Car repair manuals for everyone.
Home
>>
Audi
>>
1993
>>
V8 Quattro V8-4.2L (ABH)
>>
Repair and Diagnosis
>>
Powertrain Management
>>
Computers and Control Systems
>>
Relays and Modules - Computers and Control Systems
>>
Engine Control Module
>>
Diagrams
>>
Diagram Information and Instructions
>>
Diagrams By Track Number
>>
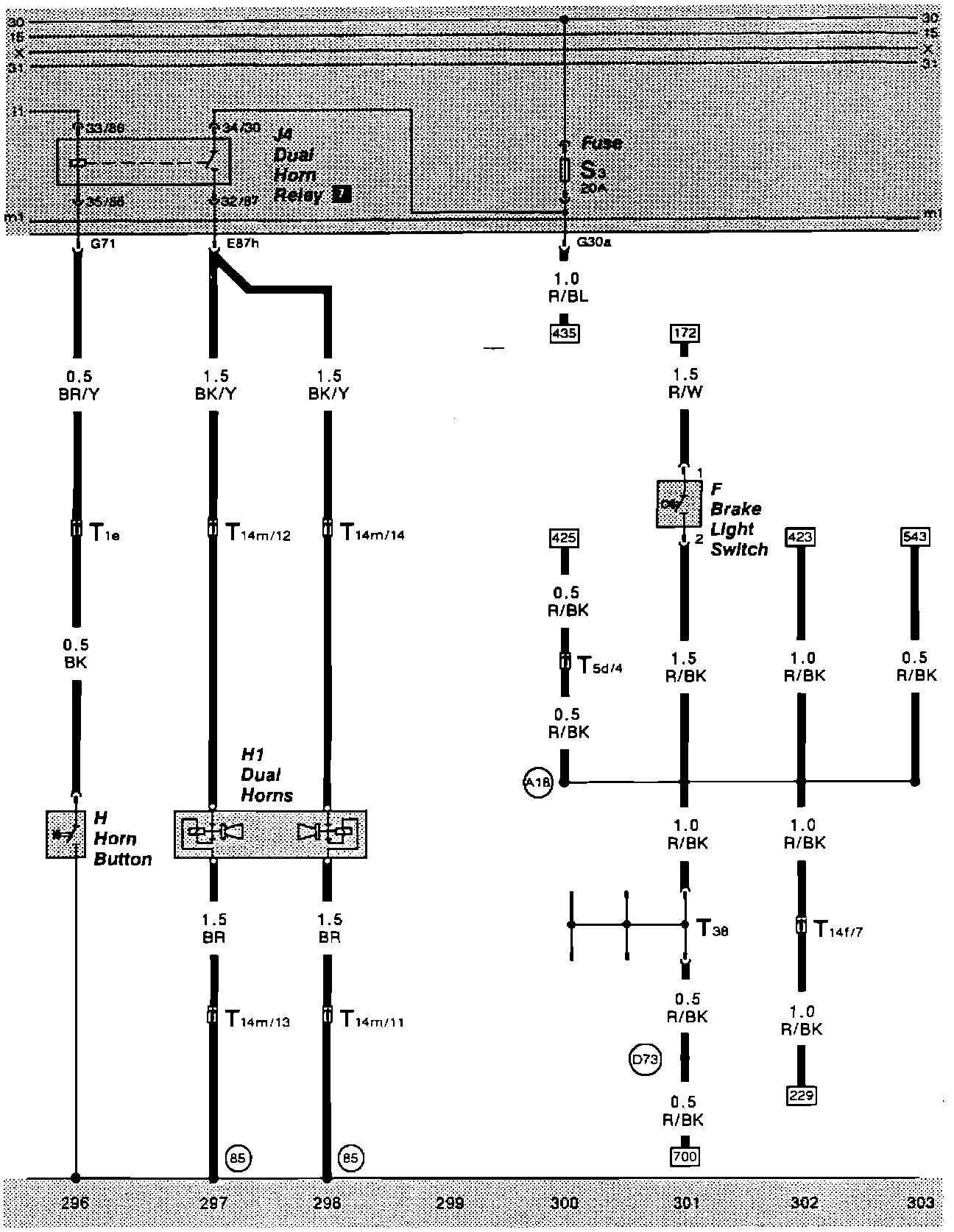
Tracks 269 - 303
Tracks 269 - 303
Tracks 296 - 303: