Curiosii for ever!: Car repair manuals for everyone.

Air Bag Control Module: Locations


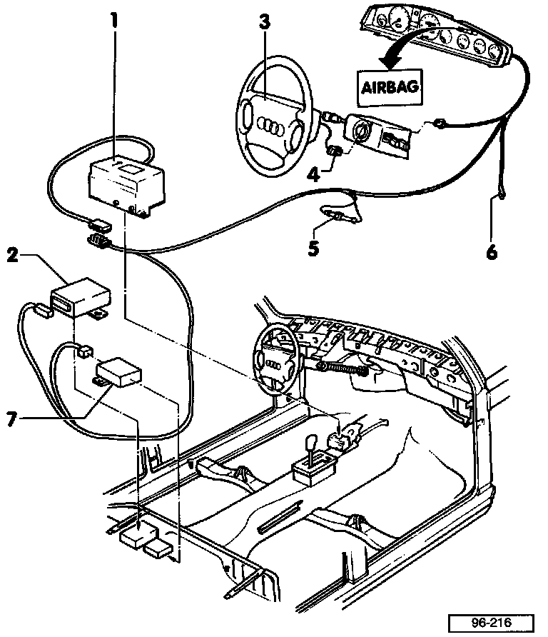
Airbag - 1992 m.y. Assembly





1 Triggering unit

2 Energy reserve

3 Steering wheel with airbag unit

4 Connector for airbag spiral spring

5 Airbag power supply connector
Discontinued from 1996 m.y.

6 Ground connection
Under rear seat

7 Voltage transformer