Curiosii for ever!
: Car repair manuals for everyone.
Home
>>
Audi
>>
1984
>>
4000,S L4-1781cc 1.8L SOHC (JN)
>>
Repair and Diagnosis
>>
Relays and Modules
>>
Relays and Modules - Powertrain Management
>>
Relays and Modules - Computers and Control Systems
>>
Engine Control Module
>>
Diagrams
>>
Diagram Information and Instructions
>>
Diagrams By Track Number
>>
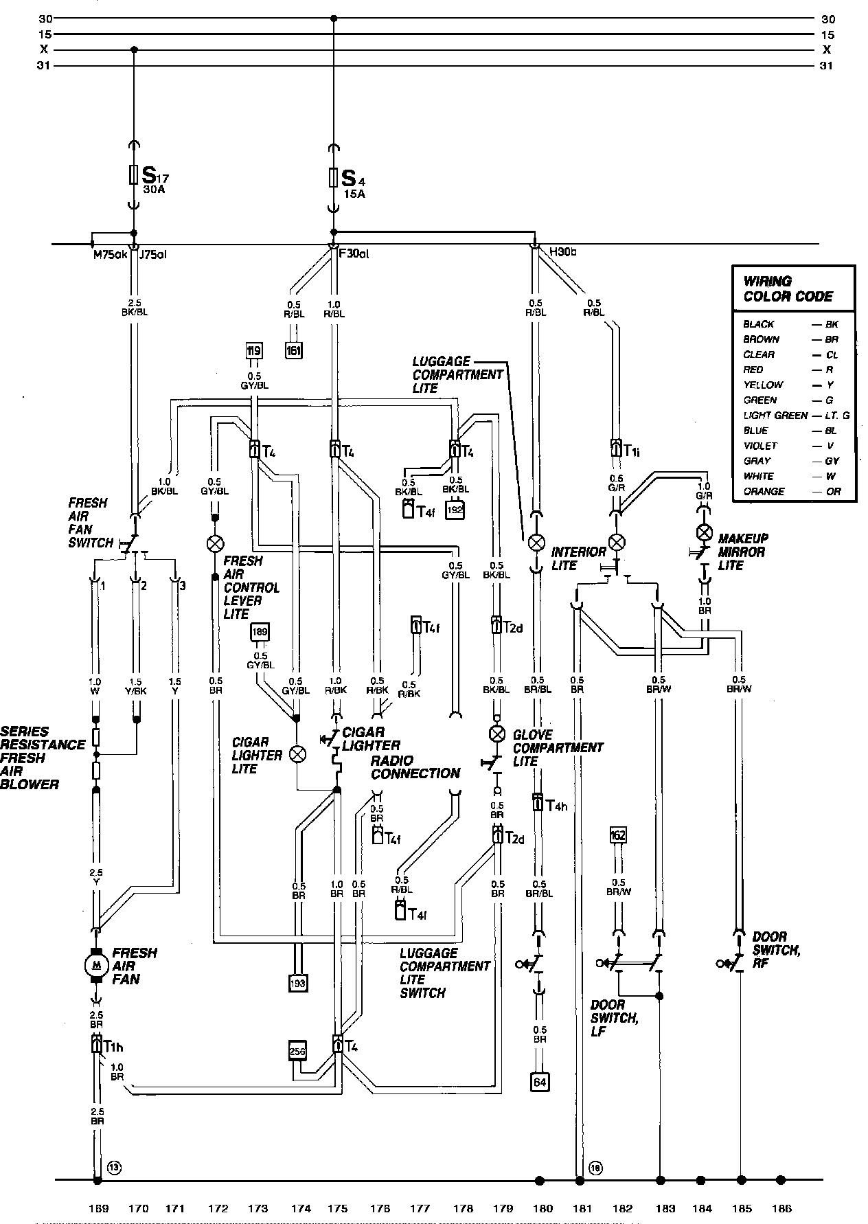
Track 169 Thru 186
Track 169 Thru 186
Main Wiring Diagram: