Curiosii for ever!: Car repair manuals for everyone.

Evaporator Core: Service and Repair




Evaporator Core Replacement

1. Recover the refrigerant with a recovery/recycling/charging station A/C Refrigerant Recovery.

2. Remove the bolt from the A/C line clamp (A).






3. Remove the bolt, then disconnect the A/C line (A) from the evaporator core.





4. Remove the blower unit Blower Unit Removal/Installation.

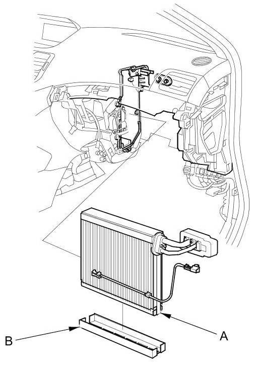
5. Disconnect these connectors (A): The evaporator temperature sensor, the power transistor, and the passenger's air mix control motor. Detach the connector clip (B) and the harness clip (C). Remove the self-tapping screws, the joint duct (D), and the seal (E).






6. Carefully pull out the evaporator core (A) without bending the lines, then remove the plate (B).

NOTE: Be careful not to damage the wire harness.






7. Remove the clip (A) and the evaporator temperature sensor (B).

NOTE: At the factory, the evaporator temperature sensor is installed at the 8th row of fins from the side opposite of the expansion valve.






8. When the evaporator temperature sensor (A) is reinstalled onto a new evaporator core, set the evaporator temperature sensor in the 8th row of fins from the side opposite of the expansion valve.

NOTE: If you are installing the sensor onto the old evaporator core, install it onto the 9th row of fins, because the other row may be deformed from the previous installation.





9. Install the core in the reverse order of removal, and note these items:

- If you're installing a new evaporator core, add refrigerant oil (SP-10) Service and Repair.
- Replace the O-rings with new ones at each fitting, and apply a thin coat of refrigerant oil before installing them. Be sure to use the correct O-rings for HFC-134a (R-134a) to avoid leakage.
- Immediately after using the oil, reinstall the cap on the container, and seal it to avoid moisture absorption.
- Do not spill the refrigerant oil on the vehicle; it may damage the paint; if the refrigerant oil contacts the paint, wash it off immediately.
- Charge the system A/C System Charging.
- Make sure that there is no air leakage.
- Make sure that there is no refrigerant leakage.