Curiosii for ever!: Car repair manuals for everyone.

Blower Unit Removal/Installation




Blower Unit Removal/Installation

1. Remove the passenger's dashboard undercover Passenger's Dashboard Undercover Removal / Installation.

2. Remove the passenger's dashboard trim Passenger's Dashboard Trim Removal / Installation.

3. Remove the glove box Glove Box Removal / Installation.

4. Remove the passenger's dashboard center lower cover Dashboard Center Lower Cover Removal / Installation.

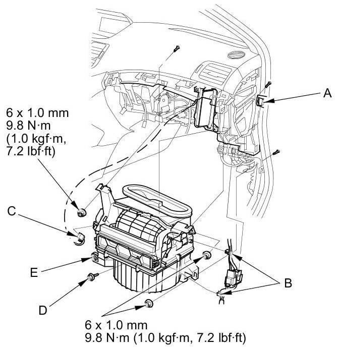
5. Remove the bolts (A) and detach the connector clips (B). Then cut the plastic cross brace (C) in the glove box opening with diagonal cutters in the area shown. Retain the plastic cross brace it will be reinstalled.






6. Remove the self-tapping screws and the passenger's heater duct (A).






7. Disconnect the connector (A) from the blower motor and detach the harness clip (B).






8. Disconnect the left engine compartment subharness connector from the bracket (A) and detach the harness clips (B). Disconnect the connector (C) from the recirculation control motor. Remove the self-tapping screw (D), the mounting nuts, and the blower unit (E).





9. Install the unit in the reverse order of removal. Make sure that there are no air leaks.