Curiosii for ever!: Car repair manuals for everyone.

Accessory Control Display: Service and Repair




Interface Dial Removal/Installation

NOTE:

- Put on gloves to protect your hands.
- Take care not to scratch the dashboard and display visor.
- Lay a shop towel under the parts when working on them to protect the face panel from scratches or other damage.

1. Remove the audio-navigation switch panel Audio-Navigation Switch Panel Removal/Installation.

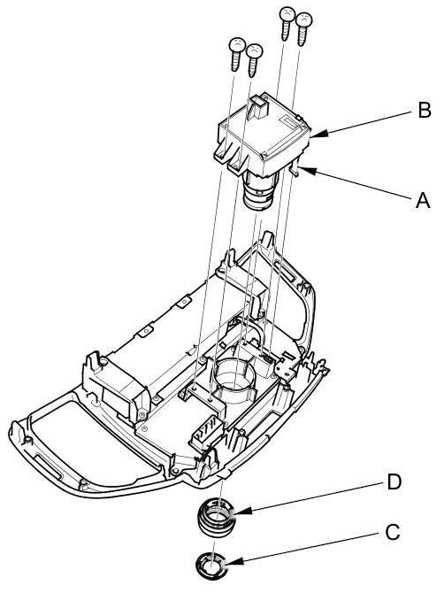
2. Remove the screw and harness cover (A).






3. Disconnect the interface dial connector (A). Remove the screws and interface dial (B). Carefully pry off the knob (C) with a small screwdriver, then apply slow and steady pressure with your thumbs to push out the interface dial until the dial (D) pops off.





4. Install the interface dial in the reverse order of removal.

NOTE: If the hard buttons do not work, but the jog dial does, recheck the interface dial connector connection.