Curiosii for ever!: Car repair manuals for everyone.

Wiper Motor: Service and Repair




Wiper Motor Replacement

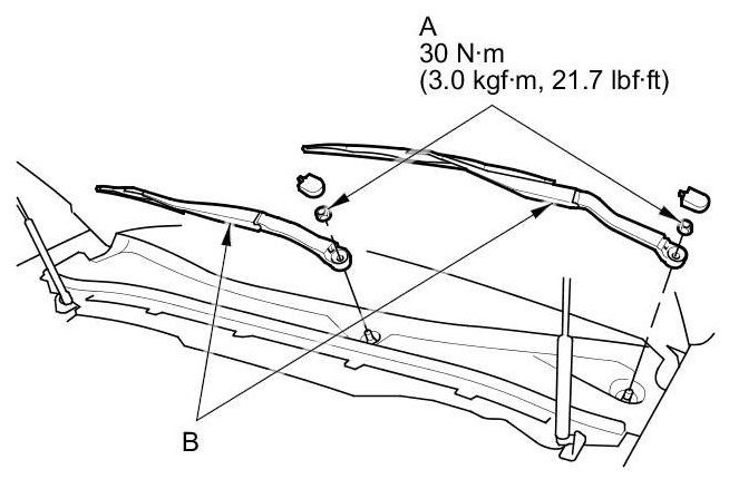
1. Open the hood. Remove the cap, nuts (A), and the windshield wiper arms (B).





2. Remove the cowl cover Service and Repair.

3. Disconnect the 5P connector (A) from the windshield wiper motor.





4. Remove the four bolts (B) and the wiper linkage assembly (C).

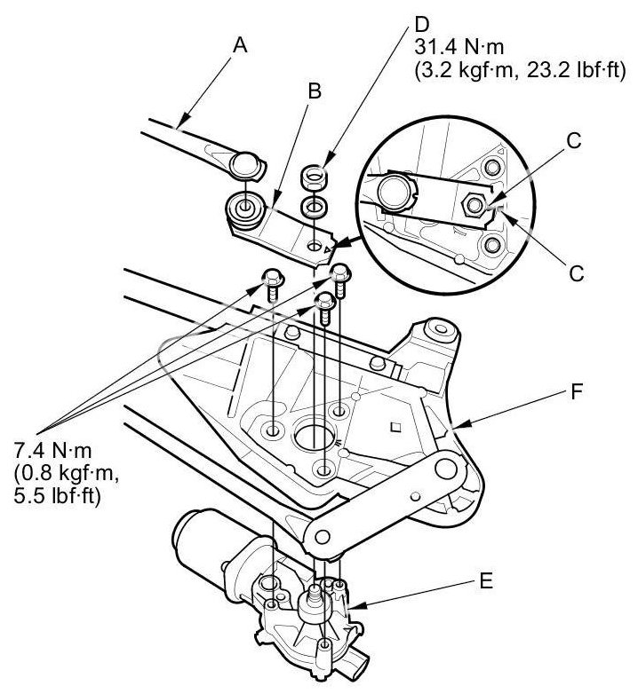
5. Separate the linkage (A) from the link (B).





6. Note the alignment marks (C), then remove the nut (D) and the link from the wiper motor (E).

7. Remove the three bolts, and separate the wiper motor from the linkage (F).

8. Before installing the motor, connect the 4P connector to the wiper motor, and turn the wiper/washer switch ON to (LO) or (HI) position, then OFF to return the motor shaft to the park position.

NOTE:

- Do not use the wiper/washer switch (INT) position in this step.
- If necessary, replace any damaged clips.
- Apply multipurpose grease to the moving parts.

9. Install the wiper motor to the wiper linkage assembly in the reverse order of removal.

10. Install the link to the wiper motor shaft, then align the mark (A) of the link and the mark (B) of the wiper linkage assembly.





11. After installation, adjust the wiper arms Adjustments.