Curiosii for ever!: Car repair manuals for everyone.

Heater Core Case: Service and Repair




Heater Unit/Core Replacement

SRS components are located in this area. Review the SRS component locations Locations and the precautions and procedures Service and Repair before doing repairs or service.

1. Do the battery terminal disconnection procedure Procedures.

2. Recover the refrigerant with a recovery/recycling/charging station A/C Refrigerant Recovery.

3. Disconnect the A/C line from the evaporator core Service and Repair.

4. When the engine is cool, drain the engine coolant from the radiator Service and Repair.

5. From under the hood, slide the hose clamps (A) back. Disconnect the inlet heater hose (B) and the outlet heater hose (C) from the heater unit. Note the layout of the hoses.

Engine coolant will run out when the hoses are disconnected; drain it into a clean drip pan. Be sure not to let coolant spill on the electrical parts or the painted surfaces. If any coolant spills, rinse it off immediately.






6. Remove the mounting nut from the heater unit. Take care not to damage or bend the fuel lines or the brake lines.





7. Remove the dashboard Dashboard Replacement.

8. Disconnect the left engine compartment wire harness connectors (A). Remove the ducts (B), and the drain hose (C). Then remove the mounting nuts, and the blower-heater unit (D).






9. Disconnect the connector (A) from the blower motor. Detach the harness clips (B).






10. Disconnect these connectors (A): The passenger's mode control motor, the power transistor, and the passenger's air mix control motor. Detach the harness clips (B).






11. Disconnect these connectors (A): The recirculation control motor, and the climate control unit. Detach the harness clip (B).






12. Disconnect these connectors (A): the driver's air mix control motor, the driver's mode control motor, and evaporator temperature sensor. Detach the harness clips (B), and remove the wire harness (C).






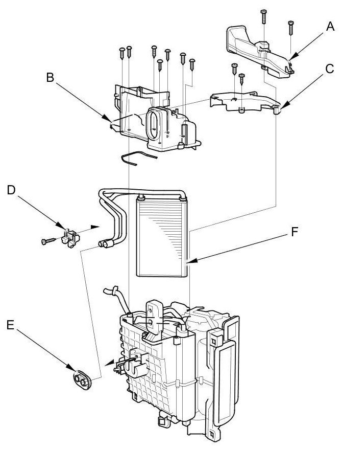
13. Remove the self-tapping screws and the passenger's heater duct (A). Remove the self-tapping screws and the joint duct (B). Remove the self-tapping screw and the heater core cover (C). Remove the self-tapping screw, the heater pipe bracket (D), and the grommet (E), and carefully pull out the heater core (F).





14. Install the heater core in the reverse order of removal.

15. Install the heater unit in the reverse order of removal, and note these items:

- Do not interchange the inlet and outlet heater hoses, and install the hose clamps securely.
- Refill the cooling system with engine coolant Service and Repair.
- Make sure that there is no coolant leakage.
- Make sure that there is no air leakage.
- Charge the system A/C System Charging.

16. Do the battery terminal reconnection procedure Procedures.