Curiosii for ever!: Car repair manuals for everyone.

Drivers Under-Dash Fuse/Relay Box (Drivers MICU) Removal and Installation (Canada models)




Driver's Under-Dash Fuse/Relay Box (Driver's MICU) Removal and Installation

Canada models

NOTE: SRS components are located in this area. Review the SRS component locations Locations, and precautions and procedures Service and Repair before doing repairs or servicing.

Removal

1. Do the battery terminal disconnection procedure.

2. Remove the driver's dashboard undercover Driver's Dashboard Undercover Removal/Installation, then remove the dashboard lower cover Driver's Dashboard Lower Cover Removal/Installation.

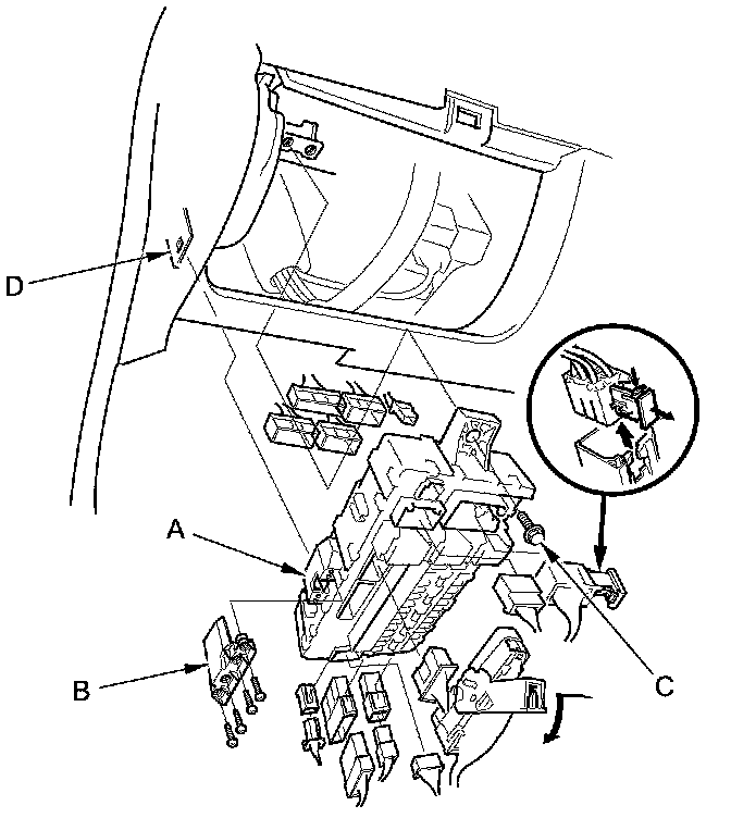
3. Loosen the bolts (A), then remove the bolt (B) from the bracket (C).





4. Remove the bracket from the driver's under-dash fuse/relay box (D).

5. Disconnect the connectors from the fuse side of the driver's under-dash fuse/relay box (A).





6. Remove the screws and cover (B) from the driver's under-dash fuse/relay box.

7. Remove the mounting bolt (C), release the tab (D), and pull the driver's under-dash fuse/relay box away from the body.

8. Disconnect the connectors from the back side of the driver's under-dash fuse/relay box, then remove the driver's under-dash fuse/relay box.

9. Carefully remove the relays by prying under the base of the relay using the relay puller Testing and Inspection.

NOTE: Do not use pliers. Pliers will damage the relays, which could cause the engine to stall or not start.

Installation

1. Install the relays and connect the connectors to the driver's under-dash fuse/relay box, then install the driver's under-dash fuse/relay box in the reverse order of removal.

2. Install the removed parts in the reverse order of removal.

3. Do the battery terminal reconnection procedure.

4. Register the immobilizer system with the HDS Immobilizer-Keyless Control Unit Registration.

NOTE: The imoes unit is built into the driver's MICU which is part of the driver's under-dash fuse/relay box. Because of this construction, the imoes must be registered, or the vehicle will not start.

5. Confirm that all systems work properly.