Curiosii for ever!: Car repair manuals for everyone.

Traction Control Module: Service and Repair




VSA Modulator-Control Unit Removal and Installation

NOTICE
Do not spill brake fluid on the vehicle; it may damage the paint. If brake fluid gets on the paint, wash it off immediately with water.

NOTE:

- Be careful not to damage or deform the brake lines during removal and installation.
- To prevent the brake fluid from dripping, plug and cover the hose ends and joints with a shop towel.

Removal

1. Turn the ignition switch to LOCK (0).

2. Remove the right engine compartment cover (A) Service and Repair.






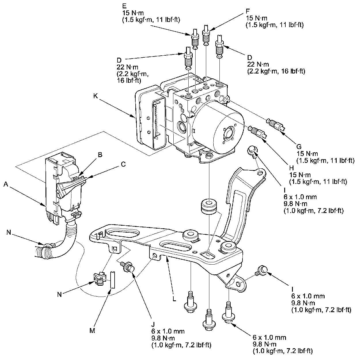
3. Remove the suction line mount bolt (A) from the bracket.





4. Disconnect the receiver line (B) from the clamp (C).

5. Disconnect the VSA modulator-control unit 47P connector (A) by pushing the lock (B) and pulling down the lever (C); the connector disconnects itself.





6. Disconnect the six brake lines from the VSA modulator-control unit.

NOTE: Brake lines are connected to the master cylinder (D) and to the left-front (E), the right-front (F), the left-rear (G), and the right-rear (H) brake systems.

7. Remove the 6 x 12 mm flange bolts (I) and 6 x 16 mm flange bolt (J), then remove the VSA modulator-control unit (K) with the bracket (L) from the body.

8. Remove the receiver line (M) from the bracket, then remove the clips (N).

9. Remove the VSA modulator-control unit from the bracket.

Installation

1. Install the VSA modulator-control unit onto the bracket.

2. Install the clips to the bracket, then install the receiver line.

3. Install the bracket with the VSA modulator-control unit to the body.

4. Reconnect the six brake lines, then tighten the flare nuts to the specified torque.

5. Align the connecting surface of the VSA modulator-control unit 47P connector to the VSA modulator-control unit.

6. Pull up the lever of the VSA modulator-control unit 47P connector, then confirm the connector is fully seated.

7. Install the suction line mount bolt to the bracket.

8. Bleed the brake system Service and Repair.

9. Install the right engine compartment cover Service and Repair.

10. Do the VSA modulator-control unit update Testing and Inspection.

11. Do the VSA sensor neutral position memorization procedure Programming and Relearning.