Curiosii for ever!: Car repair manuals for everyone.

Rocker Arm Oil Control Valve Removal/Installation




Rocker Arm Oil Control Valve Removal/Installation

1. Remove the frame brace Frame Brace Replacement.

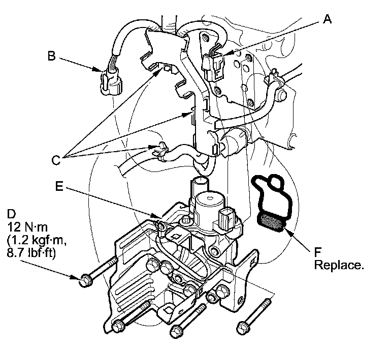
2. Disconnect the rocker arm oil control solenoid connector (A) and the rocker arm oil pressure switch connector (B).





3. Remove the harness clamps (C) and the bolts (D).

4. Remove the rocker arm oil control valve assembly (E) and the rocker arm oil control valve filter (F).

5. Remove the engine wire harness brackets (A) from the rocker arm oil control valve (B).





6. Install the parts in the reverse order of removal with a new rocker arm oil control valve filter.