Curiosii for ever!: Car repair manuals for everyone.

Under-Hood Fuse/Relay Box Removal and Installation




Under-Hood Fuse/Relay Box Removal and Installation

Special Tools Required

- Relay Puller 07AAC-000A2A1 or 07AAC-000A1A0

NOTE: The under-hood fuse/relay box is a part of the left engine compartment wire harness, and it cannot be replaced by itself.

Removal

1. Do the battery terminal disconnection procedure.

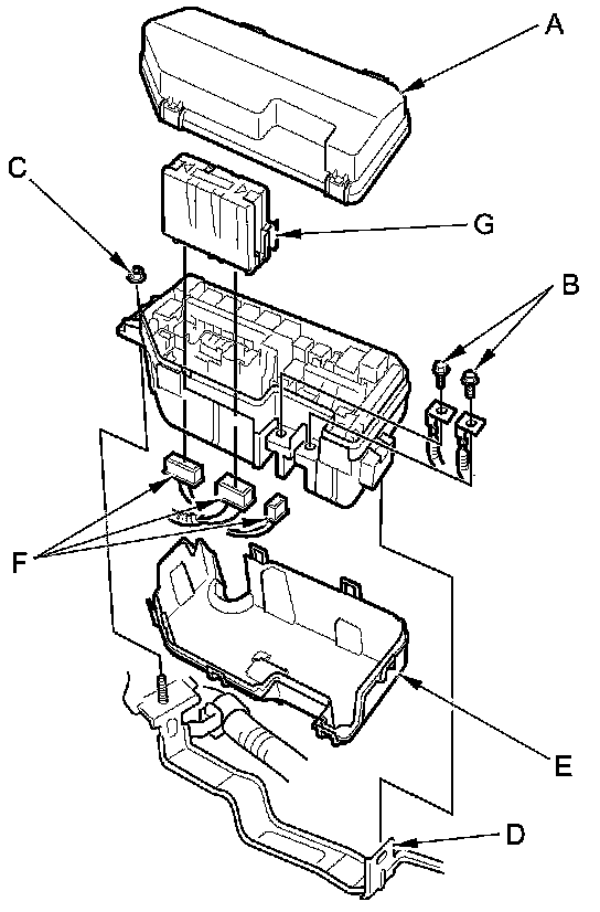
2. Open the cover (A), then remove the bolts (B) for the alternator and battery cable terminals.





3. Remove the nut (C) and release the tab (D), then remove the bottom cover (E) from the under-hood fuse/relay box.

4. Disconnect the connectors (F) from the under-hood fuse/relay box.

5. Remove the relay circuit board (G) from the under-hood fuse/relay box.

6. Carefully remove the relays using the relay puller Testing and Inspection.

NOTE: Do not use pliers. Pliers will damage the relays, which could cause the engine to stall or not start or cause other functions to fail.

Installation

1. Install the relays and connect the connectors to the under-hood fuse/relay box, then install the under-hood fuse/relay box in the reverse order of removal.

2. Install the removed parts in the reverse order of removal.

3. Do the battery terminal reconnection procedure.

4. Confirm that all systems work properly.