Curiosii for ever!: Car repair manuals for everyone.

Evaporator Core: Service and Repair




Evaporator Core Replacement

1. Recover the refrigerant with a recovery/recycling/charging station A/C Refrigerant Recovery.

2. Remove the bolt from the A/C line clamp (A).






3. Remove the bolt, then disconnect the A/C line (A) from the evaporator core. Replace the O-rings (B).





4. Remove the blower unit Blower Unit Removal/Installation.

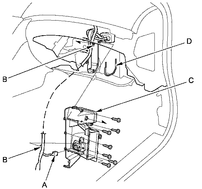
5. Disconnect the power transistor connector (A). Detach the harness clip (B). Remove the self-tapping screws, the joint duct (C), and the seal (D).






6. Carefully pull out the evaporator core (A) without bending the lines, then remove the plate (B).

NOTE: Be careful not to damage the wire harness.





7. Install the core in the reverse order of removal, and note these items:

- If you're installing a new evaporator core, add refrigerant oil (DENSO ND-OIL 8).
- Replace the O-rings with new ones at each fitting, and apply a thin coat of refrigerant oil before installing them. Be sure to use the correct O-rings for HFC-134a (R-134a) to avoid leakage.
- Immediately after using the oil, reinstall the cap on the container, and seal it to avoid moisture absorption.
- Do not spill the refrigerant oil on the vehicle; it may damage the paint; if the refrigerant oil contacts the paint, wash it off immediately.
- Make sure that there is no air leakage.
- Charge the system A/C System Charging.