Curiosii for ever!: Car repair manuals for everyone.

Accessory Control Display: Service and Repair




Interface Dial Removal/Installation

SRS components are located in this area. Review the SRS component locations, and the precautions and procedures Service and Repair before doing repairs or service.

NOTE:

- Put on gloves to protect your hands.
- Take care not to scratch the dashboard and related parts.
- Lay a shop towel under the parts when working on them to protect the face panel from scratches or other damage.
- Eject the disc before removing the audio-navigation unit to prevent damaging the CD/DVD player's load mechanism.
- If the audio-navigation unit is replaced or disconnected, a Map Matching must be done.

1. Remove the audio-navigation switch panel Audio-Navigation Switch Panel Removal/Installation (With Navigation).

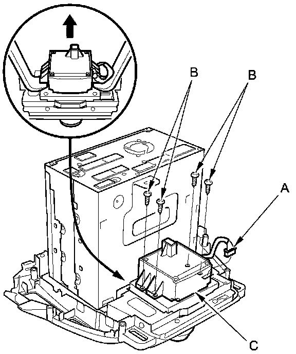
2. Remove the bolts (A) and stays (B).





3. Remove the screw and harness cover (C).

4. Disconnect the interface dial 13P connector (A).





5. Remove the 4 screws (B), then pry the interface dial (C) away from the audio-navigation switch panel with two KTC trim tools and applying even force as shown.

NOTE: Apply pressure slowly and steady until the knob and dial pops off.

6. Remove the interface dial (A), from the audio-navigation switch panel.





7. Install the dial in the reverse order of removal.

NOTE: If the hard buttons do not work, but the jog dial does, recheck the interface dial connector connection.