Curiosii for ever!: Car repair manuals for everyone.

Wiper Motor: Service and Repair




Wiper Motor Replacement

NOTE:

- Before removal and installation, turn the wiper/washer switch ON to (LO) or (HI) position, then OFF to return the motor shaft to the park position.
- Do not use the wiper/washer switch (INT) position in this step.

1. Open the hood.

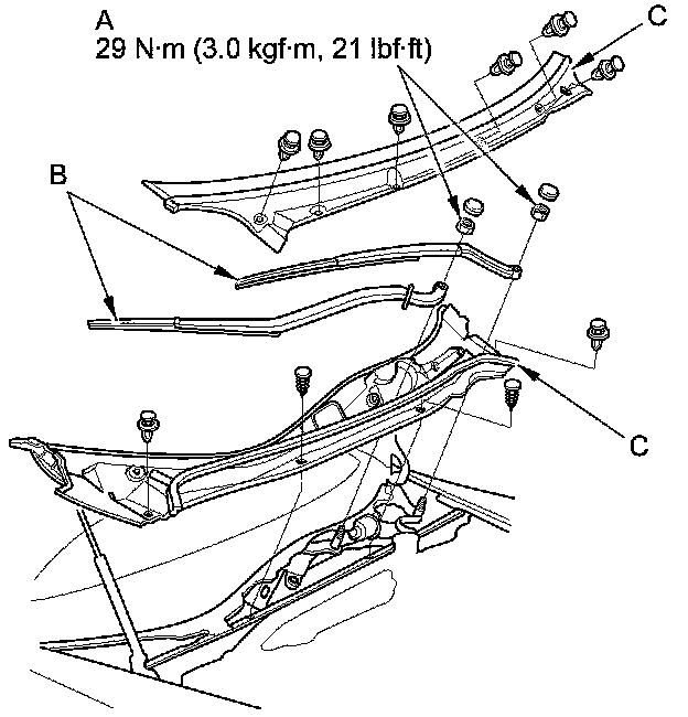
2. Remove the caps, nuts (A), and the windshield wiper arms (B).





3. Remove the cowl covers (C).

4. Disconnect the 5P connector (A) from the wiper motor.





5. Remove the four bolts (B) and wiper linkage assembly (C).

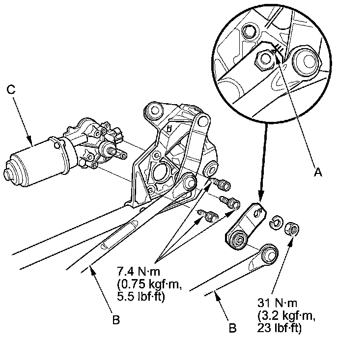
6. Make sure the mark (A) of the link to show the original adjustment.

Separate the windshield wiper linkage (B) from the wiper motor (C).





7. Install the parts in the reverse order to removal, and note these items:

- Apply multipurpose grease to the moving parts.
- Before reinstalling the wiper arms, turn the wiper switch ON, then OFF to return the wiper shafts to the park position.
- If necessary, replace any damaged clips.
- Check the wiper motor operation.