Curiosii for ever!: Car repair manuals for everyone.

Shift Cable: Service and Repair




A/T Shift Cable Replacement

1. Remove the center console Center Console Removal / Installation.

2. Shift the shift lever to R.

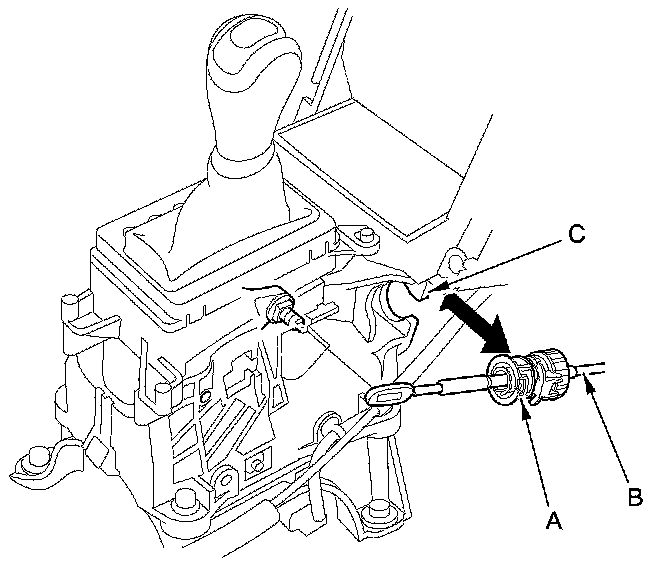
3. Remove the nut (A) securing the shift cable end (B).






4. Unlock the retainer (A).






5. Rotate the socket holder retainer (A) counterclockwise (B) until it stops, and push in the retainer (C) to lock it.






6. Push the socket holder retainer (A) forward, then slide it to remove the shift cable (B) from the shift lever bracket (C).





7. Remove the air cleaner Service and Repair.

8. Remove the bolts (A) and clamp (B) securing the under-hood fuse/relay box.






9. Remove the spring clip (A) and control pin (B), then separate the shift cable end (C) from the control lever (D).






10. Remove the nuts (A) securing the shift cable bracket (B).






11. Remove the shift cable bracket from the steering gearbox stiffener.





12. Remove the propeller shaft Propeller Shaft Removal.

13. Loosen the bolts (A) and remove the bolts (B), then remove the heat shield (C).






14. Remove the shift cable grommet (A), and pull out the shift cable (B).





15. Insert the new shift cable through the grommet hole, and install the grommet in its hole. Do not bend the shift cable excessively.

16. Install the heat shield.

17. Install the propeller shaft Propeller Shaft Installation.

18. Secure the shift cable bracket on the steering gearbox stiffener with the bolt.

19. Install the shift cable bracket (A).






20. Apply molybdenum grease to the hole in the bushing (A) in the shift cable end (B).





21. Attach the shift cable end to the selector control lever (C), then insert the control pin (D) into the control lever hole through the shift cable end, and secure the control pin with the spring clip (E).

22. Secure the under-hood fuse/relay box with the bolts.

23. Install the air cleaner Service and Repair.

24. Install the shift cable on the shift lever bracket, and adjust the shift cable.