Curiosii for ever!: Car repair manuals for everyone.

Evaporator Temperature Sensor / Switch: Service and Repair




Evaporator Temperature Sensor Replacement

1. Remove the driver's dashboard undercover Driver's Dashboard Undercover Removal / Installation.

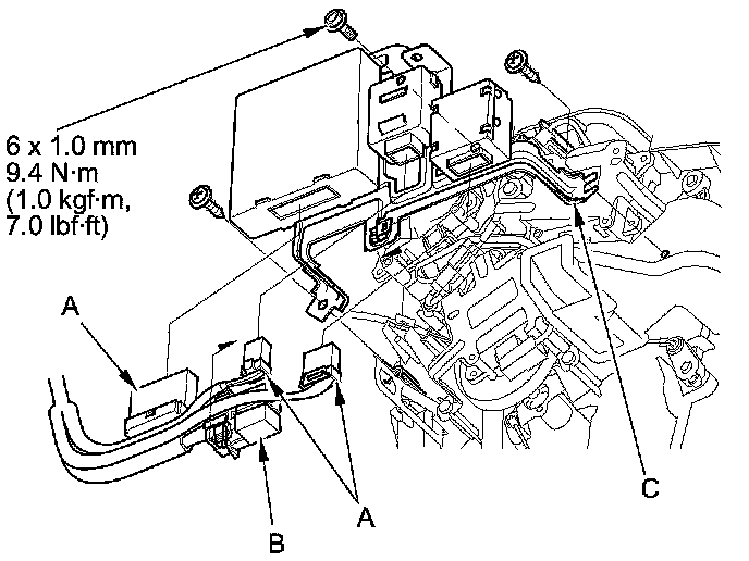
2. Disconnect the connectors (A) from the adaptive front lighting control unit, the electronically controlled power steering control unit, and the daytime running lights control unit. Remove the relay (B), the bolt, and the self-tapping screws, then remove the bracket (C).






3. Disconnect the connectors (A) from the evaporator temperature sensor and the driver's cool vent control motor, then remove the connector clip (B). Remove the self-tapping screw and the evaporator temperature sensor (C).





4. Install the sensor in the reverse order of removal.