Curiosii for ever!: Car repair manuals for everyone.

Evaporator Core: Service and Repair




Evaporator Core Replacement

1. Recover the refrigerant with a recovery/recycling/charging station A/C Refrigerant Recovery.

2. Remove the engine cover Service and Repair.

3. Remove the bolt, then disconnect the A/C lines (A) from the evaporator core.





4. Remove the blower unit Blower Unit Removal/Installation.

5. Remove the self-tapping screws and the expansion valve cover (A), then remove the bolts and the pipe/expansion valve (B) without bending the lines.






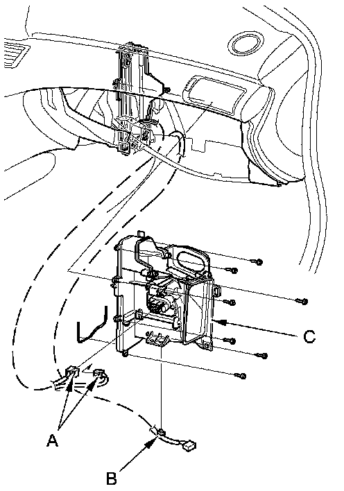
6. Disconnect the connectors (A) from the power transistor and the control motor relay. Remove the wire harness clip (B), then remove the self-tapping screws and the joint duct (C).






7. Carefully pull out the evaporator core (A) and the plate (B).





8. Install the core in the reverse order of removal, and note these items:

- If you're installing a new evaporator core, add the appropriate amount of refrigerant oil (DENSO ND-OIL 8) Service and Repair.
- Replace the O-rings with new ones at each fitting, and apply a thin coat of refrigerant oil before installing them. Be sure to use the correct O-rings for HFC-134a (R-134a) to avoid leakage.
- Immediately after using the oil, reinstall the cap on the container, and seal it to avoid moisture absorption.
- Do not spill the refrigerant oil on the vehicle; it may damage the paint; if the refrigerant oil contacts the paint, wash it off immediately.
- Make sure that there is no air leakage.
- Charge the system A/C System Charging.