Curiosii for ever!: Car repair manuals for everyone.

Intake Manifold: Specifications






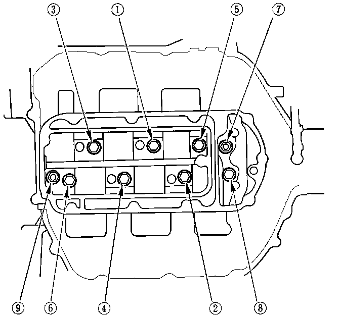
Injector Base Fasteners, 22 N-m (2.2 kgf-m, 16 lbf-ft)
Tighten in a crisscross pattern in three steps, beginning with inner nuts

Intake Manifold Fasteners, 22 N-m (2.2 kgf-m, 16 lbf-ft)
Tighten sequentially in three steps