Curiosii for ever!: Car repair manuals for everyone.

Radiator Replacement




Radiator Replacement

1. Drain the engine coolant Service and Repair.

2. Remove the right side fender trim .

3. Raise the vehicle on the lift.

4. Remove the splash shield Service and Repair.

5. Disconnect the lower radiator hose (A).





6. Disconnect the ATF cooler hoses (B), then plug the hose and line.

7. Disconnect the ECT sensor 2 connector (C).

8. Lower the vehicle on the lift.

9. Disconnect the upper radiator hose (A) and the coolant reservoir hose (B).






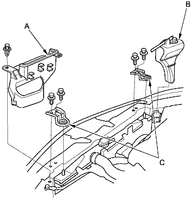
10. Remove the air intake duct cover (A), the coolant reservoir (B), and the radiator upper brackets (C).





11. Remove the A/C condenser fan shroud assembly and the radiator fan shroud assembly Radiator and A/C Condenser Fan, Motor, and Shroud Removal and Installation.

12. Pull up the radiator, then remove the radiator cap (A), the ETC sensor 2 (B), and the drain plug (C).





13. Reassemble the radiator with new O-rings (D).

14. Install the radiator. Make sure the lower cushions (E) are set securely.

15. Install the radiator fan shroud assembly and the A/C condenser fan shroud assembly.

16. Install the radiator upper brackets (A), the coolant reservoir (B), and the air intake duct cover (C).






17. Install the upper radiator hose (A) and coolant reservoir hose (B).





18. Lower the vehicle on the lift.

19. Install the lower radiator hose (A) and the ATF cooler hoses (B).





20. Connect the ECT sensor 2 connector (C).

21. Install the splash shield Service and Repair.

22. Lower the vehicle on the lift.

23. Install the right side fender trim .

24. Refill the radiator with engine coolant, and bleed the air from the cooling system with the heater valve open Service and Repair.

25. Clean up any spilled engine coolant.