Curiosii for ever!: Car repair manuals for everyone.

Exhaust Gas Recirculation: Description and Operation




Fuel and Emissions System Description - EGR System

Exhaust Gas Recirculation (EGR) System

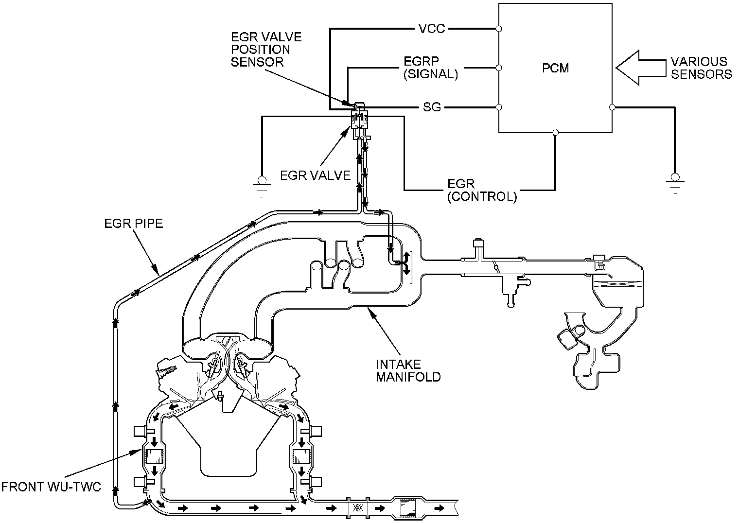
Refer to the system diagram to see a functional layout of the system.

EGR Valve

The EGR valve lowers peak combustion temperatures and reduces oxides of nitrogen emissions (NOx) by recirculating exhaust gas through the intake manifold and into the combustion chambers.

Exhaust Gas Recirculation (EGR) System Diagram

The EGR system reduces oxides of nitrogen (NOx) emissions by recirculating exhaust gas through the EGR pipe to the intake manifold, and into the combustion chambers. Routing the exhaust gas through the EGR pipe after the front WU-TWC helps to prevent carbon deposits from forming in the intake manifold and the throttle body. The PCM memory contains the ideal EGR valve position for varying operating conditions.

The EGR valve position sensor detects the amount of EGR valve lift and sends it to the PCM. The PCM then compares it with the ideal lift in its memory (based on signals sent from other sensors). If there is any difference between the two, the PCM controls the current to the EGR valve.