Curiosii for ever!
: Car repair manuals for everyone.
Home
>>
Acura
>>
2010
>>
ZDX V6-3.7L
>>
Repair and Diagnosis
>>
Powertrain Management
>>
Computers and Control Systems
>>
Variable Valve Timing Solenoid
>>
Locations
>>
Component Location Index
>>
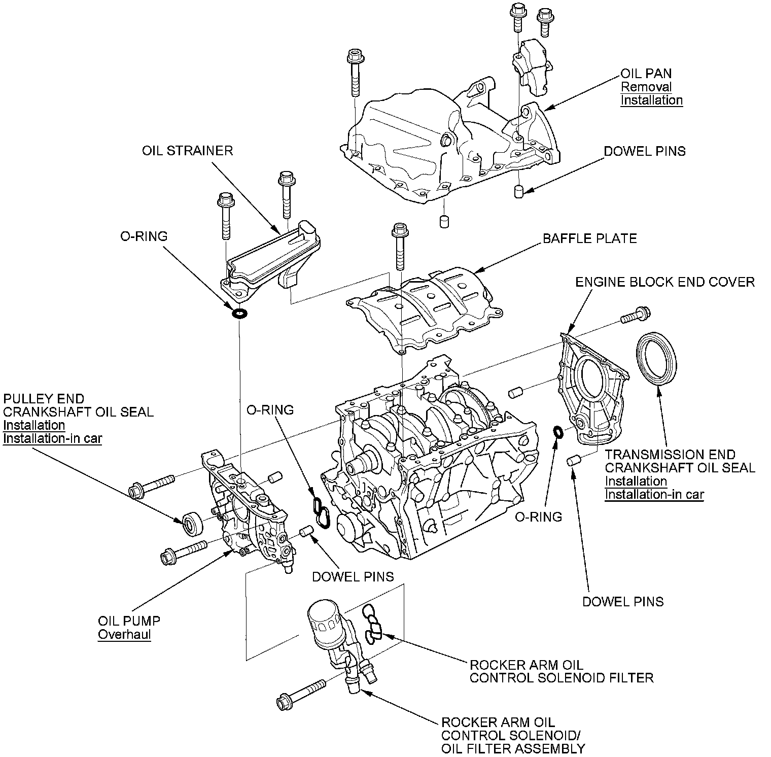
Engine Block Assembly Component Location Index
Engine Block Assembly Component Location Index
Engine Block Assembly Component Location Index