Curiosii for ever!: Car repair manuals for everyone.

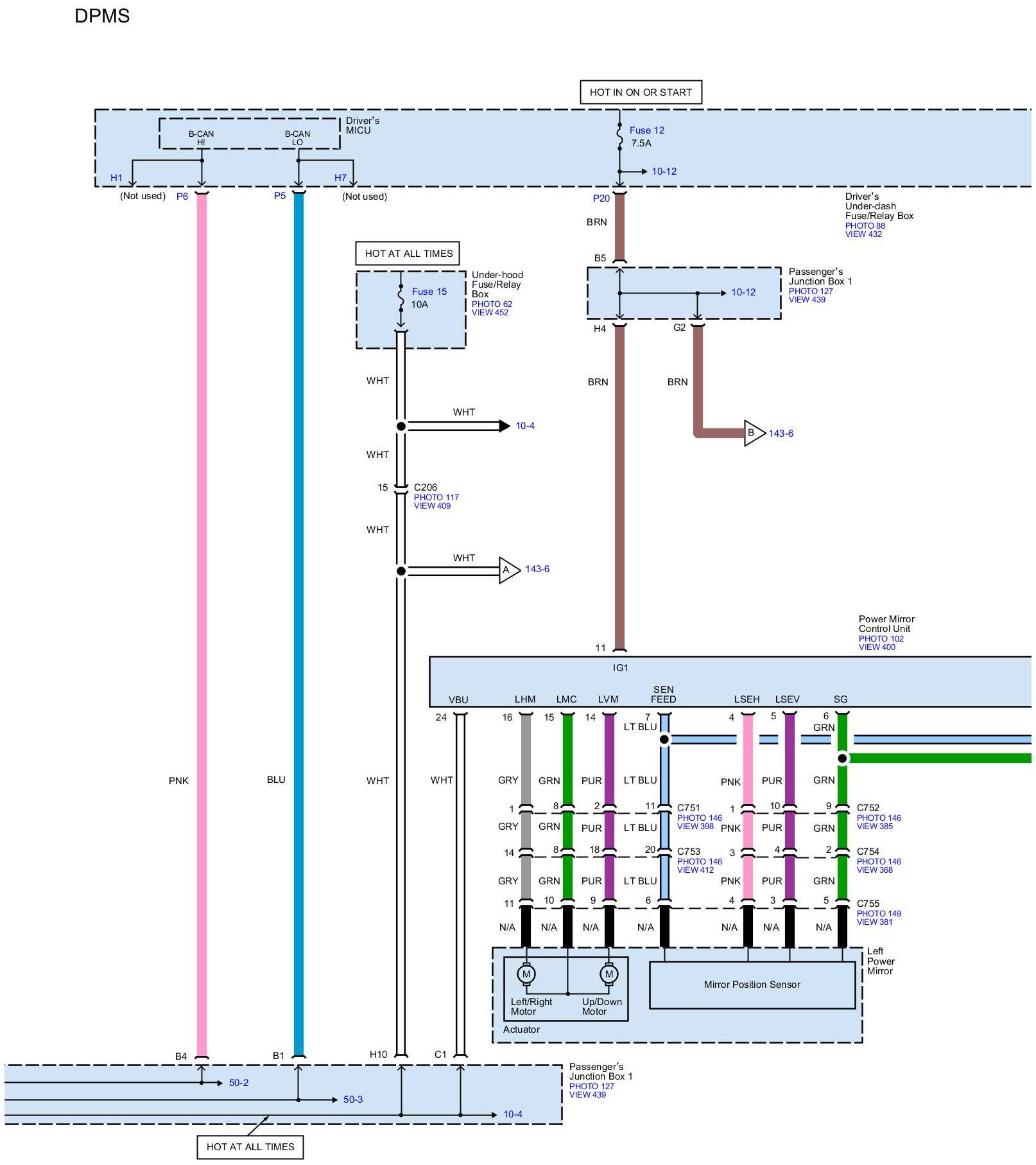
Diagram Set 143 (DPMS) Driving Position Memory System




































Locations: Location photographs (references to PHOTOS) referred to within these diagrams can be found at Locations by Photo Number. Component Locations

Connector Views: Connector terminal views (references to VIEWS) referred to within these diagrams can be found at Connector Views by View Number. Connector Views By View Number