Curiosii for ever!: Car repair manuals for everyone.

Seat Position Sensor: Service and Repair




Driver's Seat Position Sensor Replacement

Removal

NOTE: Do not turn the ignition switch to ON (II), and do not connect the battery cable while removing the driver's seat position sensor.

1. Raise the seat all the way up.

2. Turn the ignition switch to LOCK (0).

3. Do the battery terminal disconnection procedure, Procedures then wait at least 3 minutes before starting work.

4. Remove the driver's seat assembly. Front Seat Removal/Installation

5. Remove the recline cover. Front Seat Cushion Cover Replacement

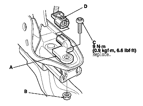
6. Disconnect the seat position sensor harness 2P connector (A) from the driver's seat position sensor (B).

7. Remove the TORX bolt (C) and nut (D) using a TORX T30 bit, then remove the driver's seat position sensor.






Installation

NOTE:

- Be sure to install the harness so it does not pinched or interfere with other parts.

- Do not turn the ignition switch to ON (II), and do not connect the battery cable while installing the driver's seat position sensor.

1. Install the driver's seat position sensor (A) with a new nut (B) and TORX bolt (C), using a TORX T30 bit.

2. Connect the seat position sensor harness 2P connector (D) to the driver's seat position sensor.

3. Install the recline cover. Front Seat Cushion Cover Replacement

4. Install the driver's seat assembly. Front Seat Removal/Installation

5. Clear any DTCs with the HDS. Reading and Clearing Diagnostic Trouble Codes

6. Do the battery terminal reconnection procedure. Procedures

7. Check the operation of the driver's seat position sensor with the HDS. Driver's Seat Position Sensor Operation Check

8. Confirm proper SRS operation: Turn the ignition switch to ON (II); the SRS indicator should come on for about 6 seconds and then go off.