Curiosii for ever!: Car repair manuals for everyone.

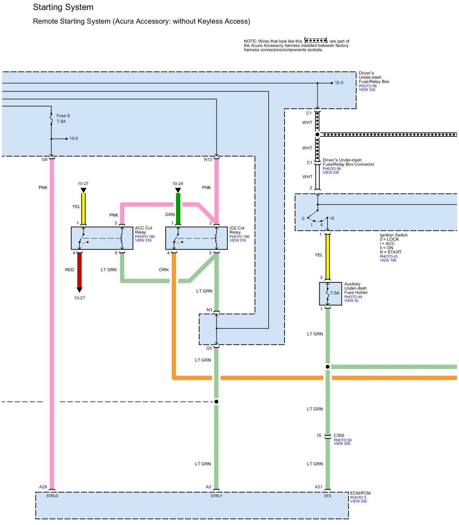
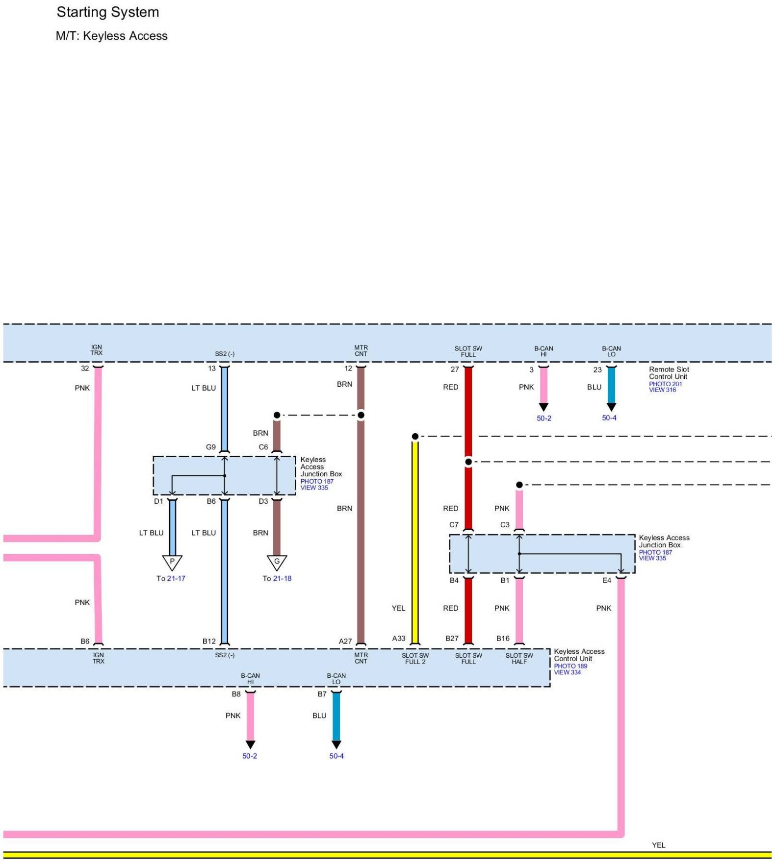
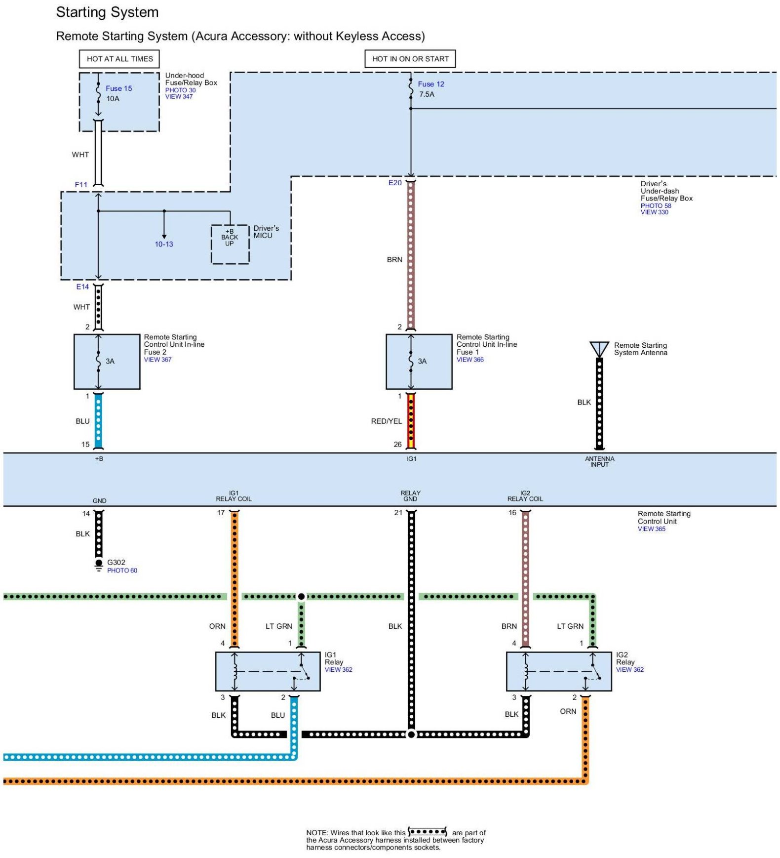
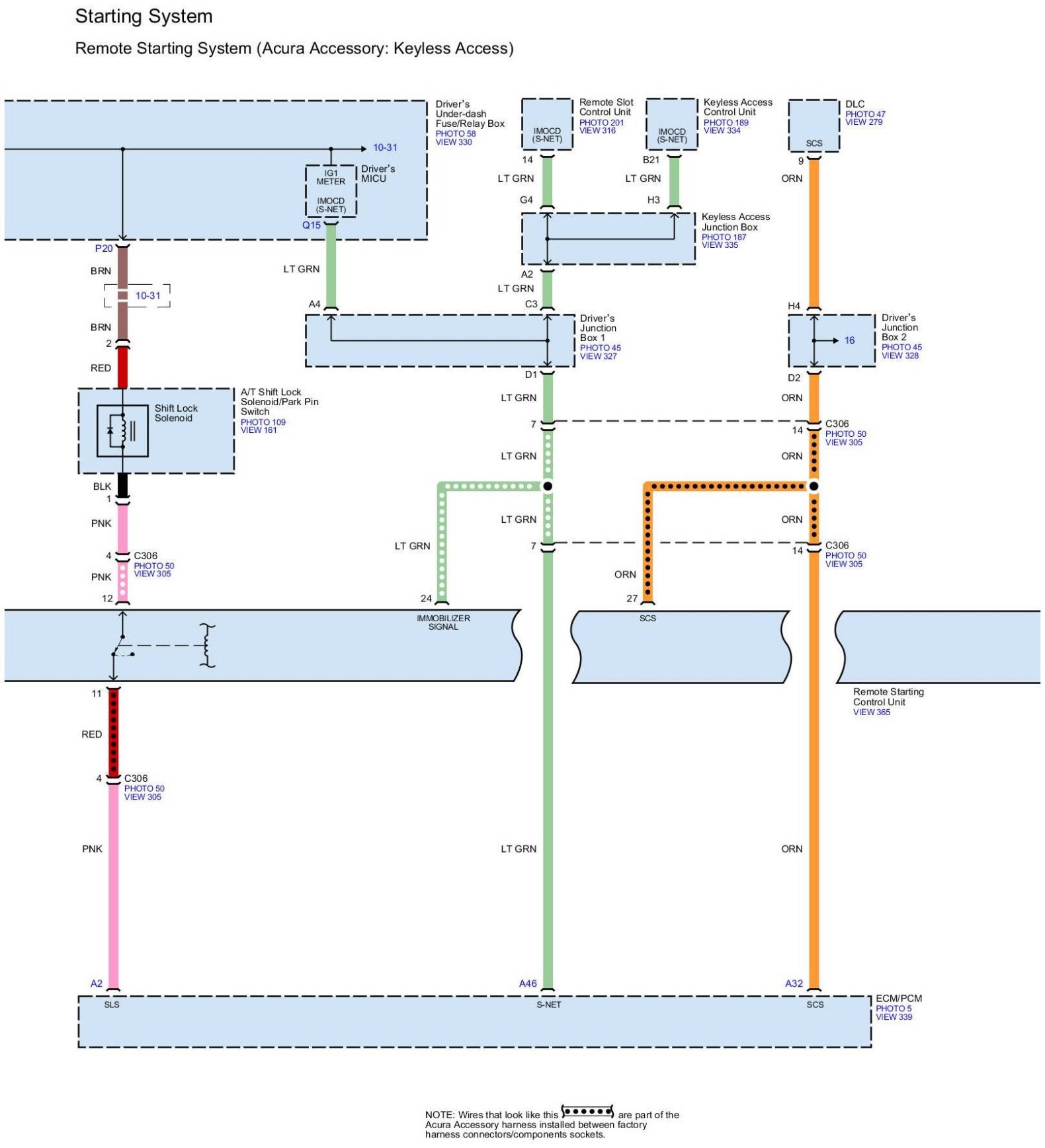
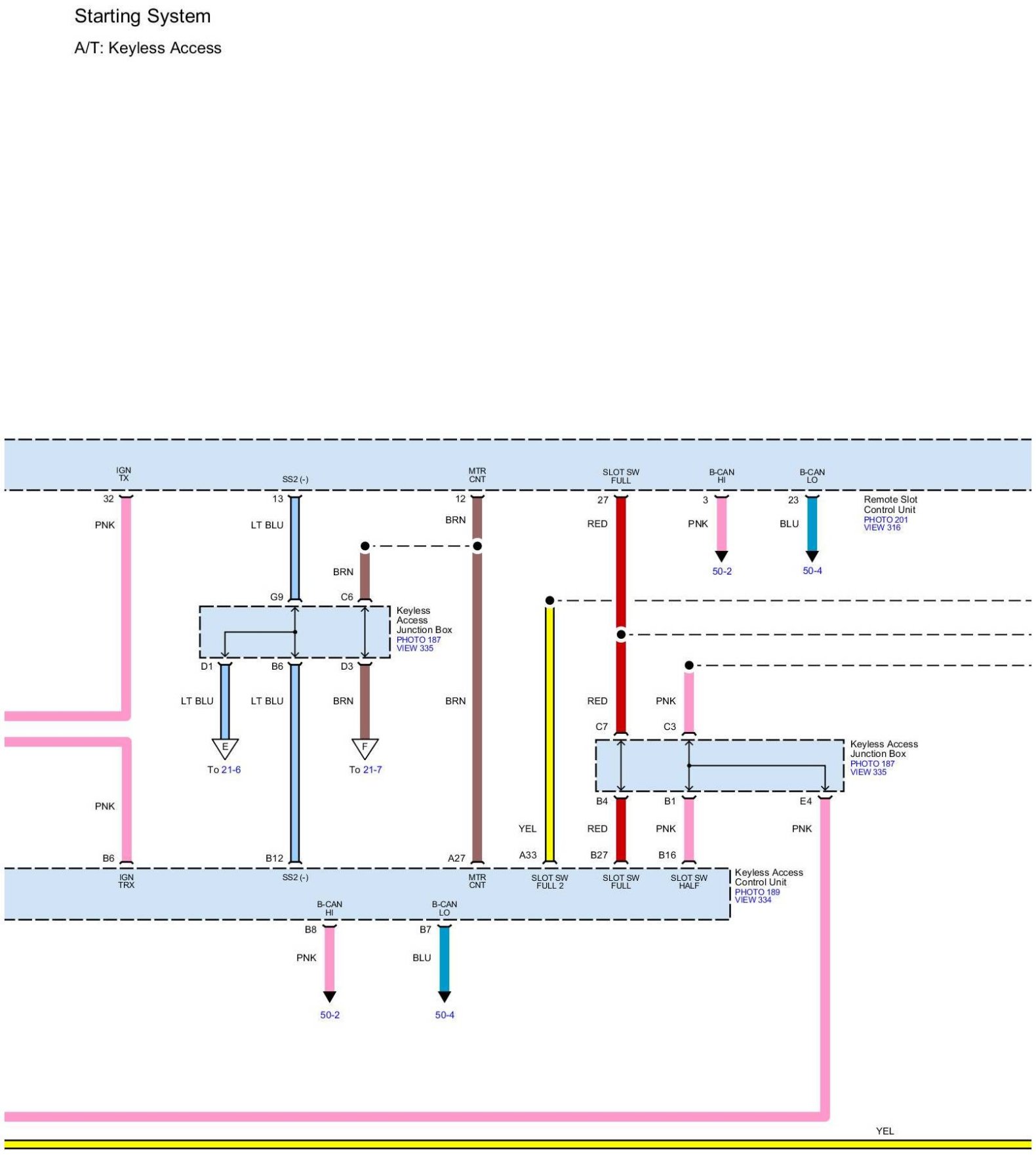
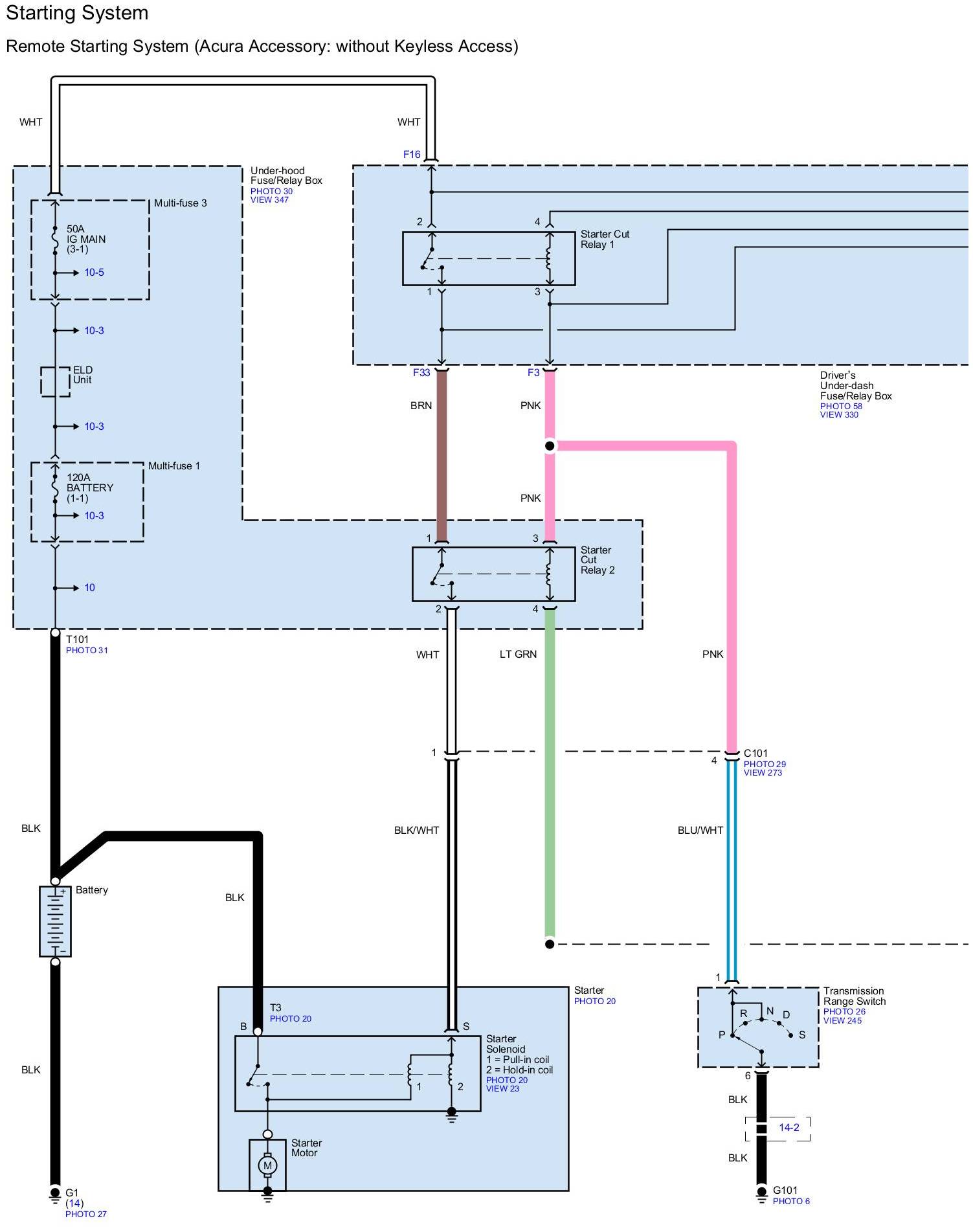
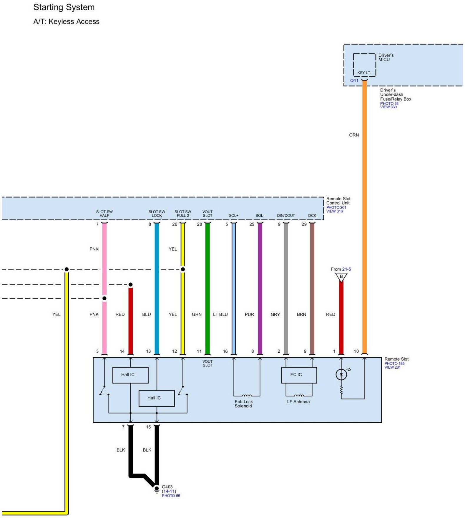
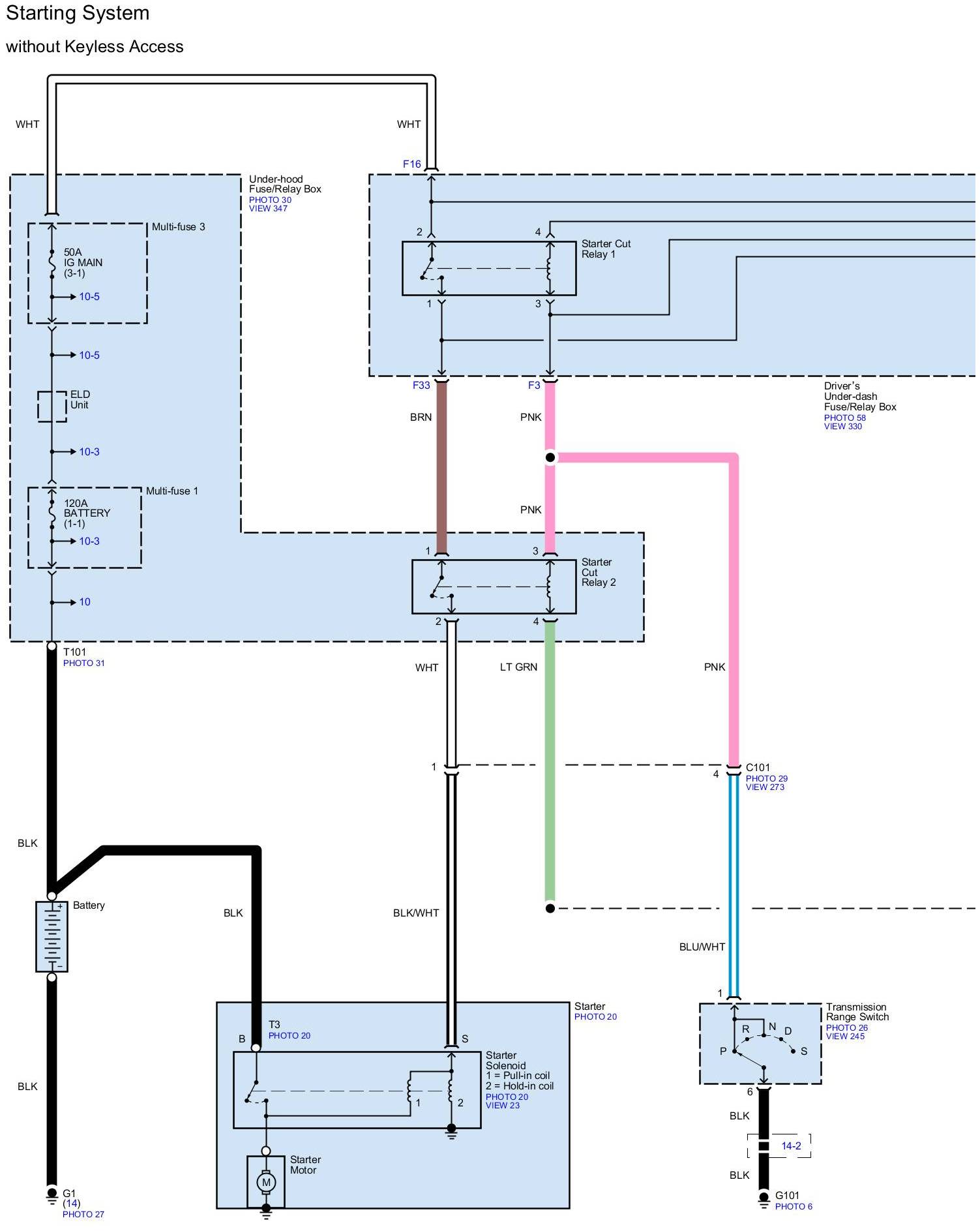
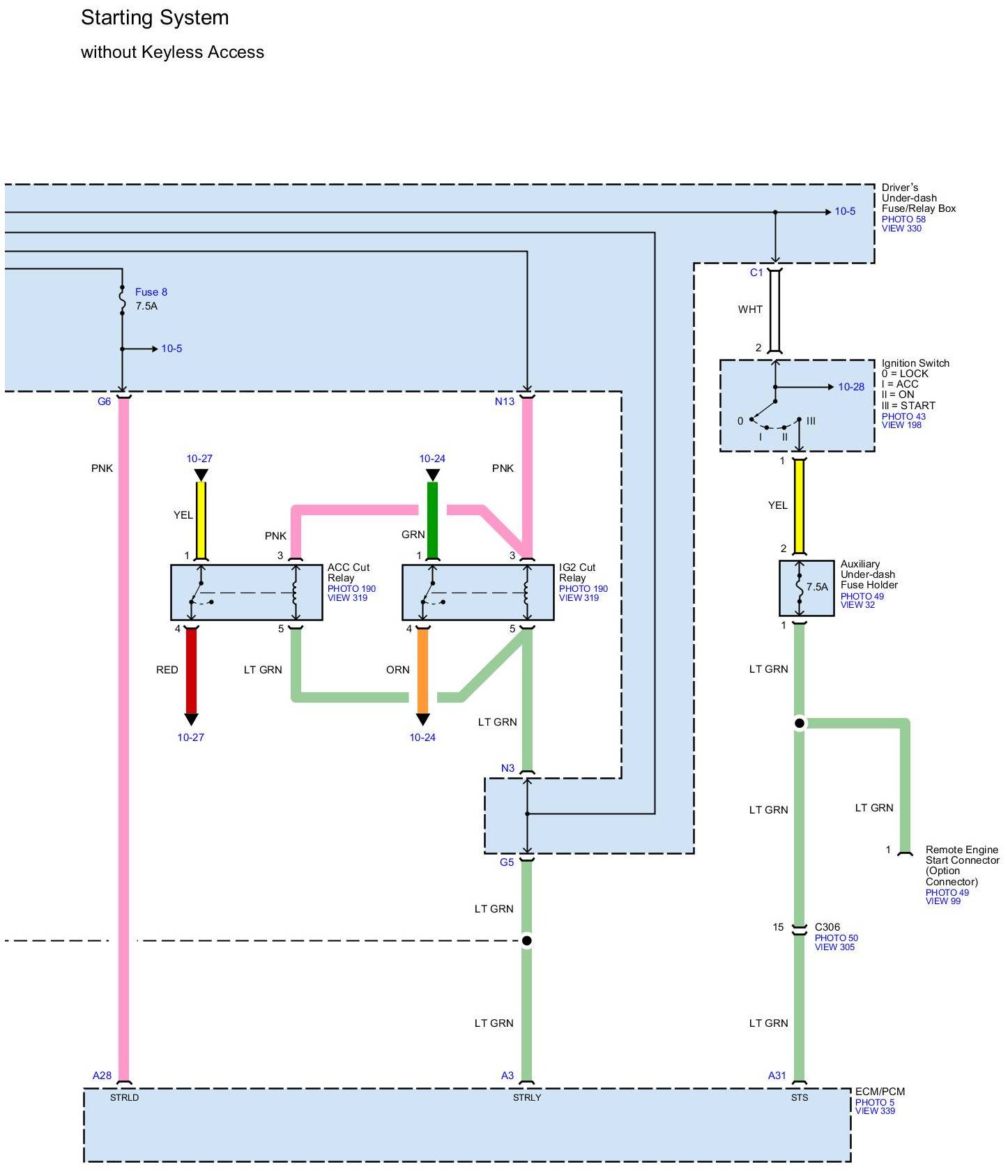
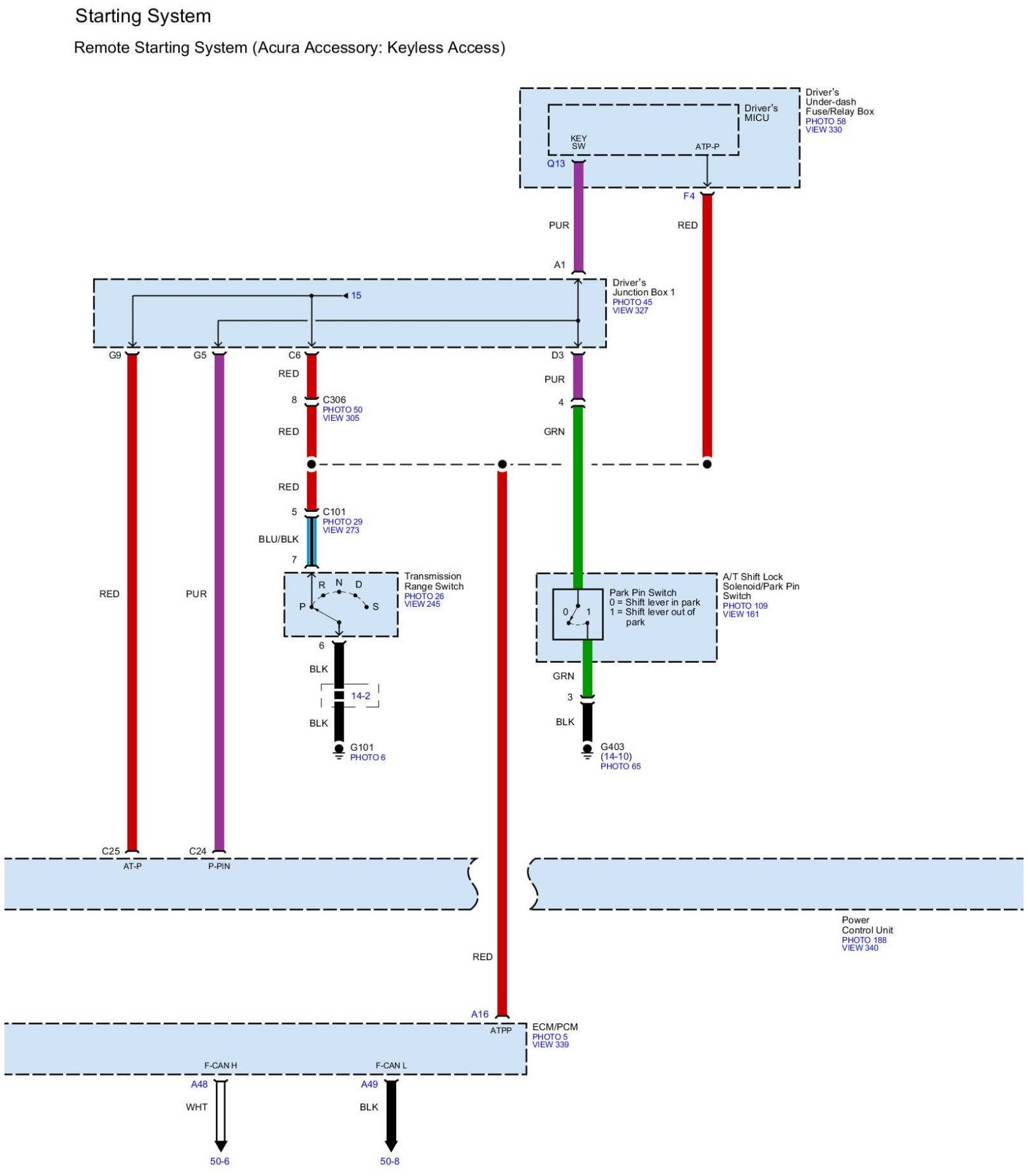
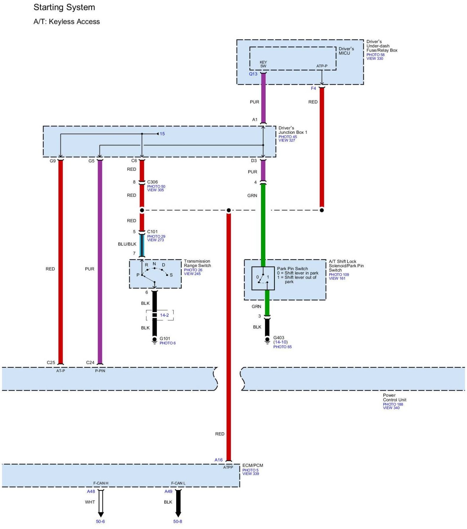
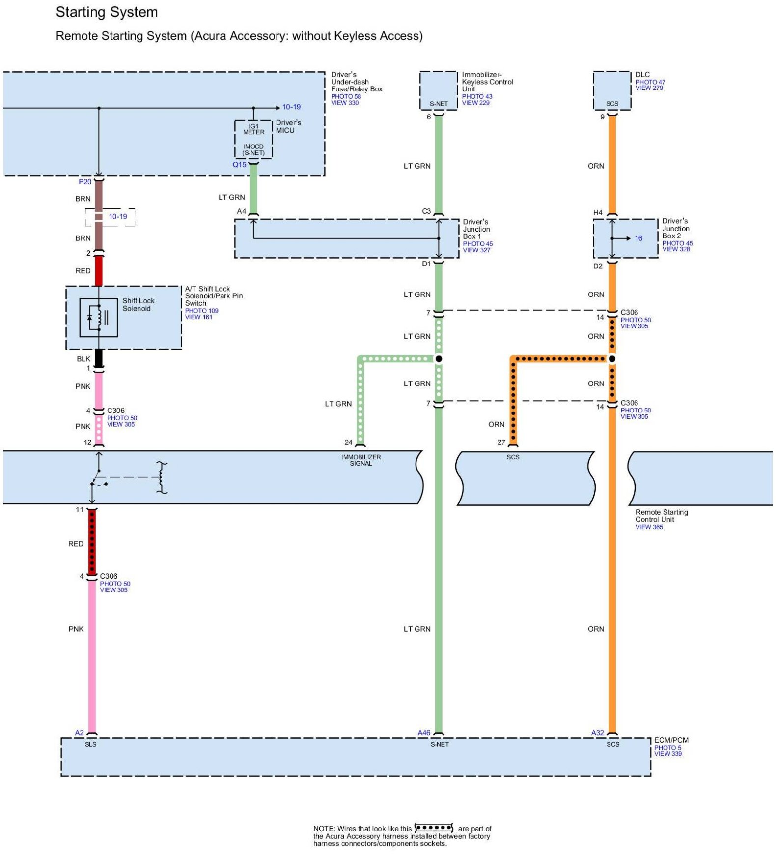
System Diagram











































































































































































































Diagrams: Other diagrams referred to by number (See Diagram ##-#, etc.) within these diagrams can be found at Diagrams by Number. Diagrams By Number

Locations: Location photographs (references to PHOTOS) referred to within these diagrams can be found at Locations by Photo Number. Locations By Photo Number

Connector Views: Connector terminal views (references to VIEWS) referred to within these diagrams can be found at Connector Views by View Number. Connector Views By View Number