Curiosii for ever!: Car repair manuals for everyone.

Blower Unit Removal/Installation




Blower Unit Removal/Installation

1. Remove the glove box. Glove Box Removal/Installation

2. Remove the right kick panel. Interior Trim Removal/Installation - Front Door Sill Area

3. Remove the USB adapter unit. USB Adapter Unit Replacement

4. Cut the plastic cross brace (A) in the glove box opening with diagonal cutters in the area shown. Retain the plastic cross brace to be reinstalled later.
NOTE: Use the grommets (B) and the self-tapping screws to reinstall the plastic cross brace.






5. Remove the wire harness clips (A) and the connector clips (B). Remove the bolts and the glove box frame (C).






6. Disconnect the connectors (A) from the blower motor, the throttle actuator control module subharness, and the dashboard wire harnesses. Remove the self-tapping screw (B), the connector clip (C) and the wire harness clips (D).






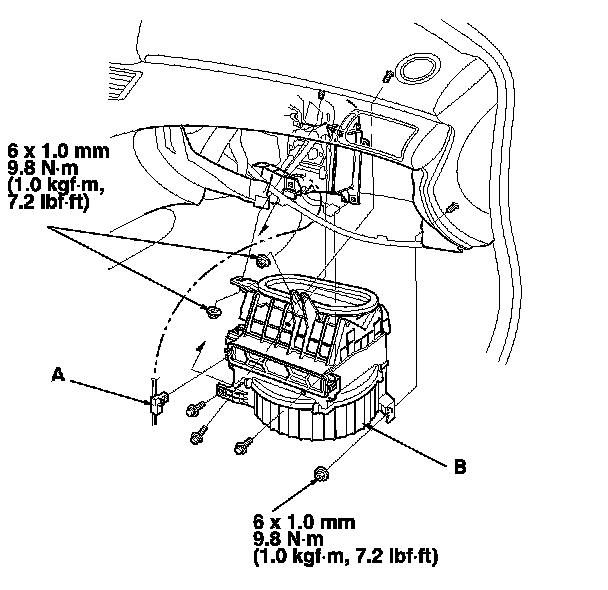
7. Disconnect the connector (A) from the recirculation control motor. Remove the mounting nuts, the bolts, and the blower unit (B).

8. Install the unit in the reverse order of removal. Make sure that there is no air leakage.