Curiosii for ever!: Car repair manuals for everyone.

Shift Cable: Service and Repair




A/T Shift Cable Replacement

1. Raise the vehicle on a lift, and make sure it is supported securely.

2. Remove the center console. Center Console Removal/Installation

3. Shift the shift lever into R.

4. Remove the nut securing the shift cable end.






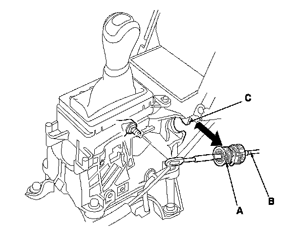
5. Unlock the retainer (A).






6. Rotate the socket holder retainer (A) counterclockwise (B) until it stops, and push in the retainer (C) to lock it.






7. Push the socket holder retainer (A) forward, then slide it to remove the shift cable (B) from the shift lever bracket (C).

8. Do the battery removal procedure. Removal and Replacement

9. Remove the battery base.

10. Remove the air cleaner. Service and Repair






11. Remove the nuts securing the shift cable bracket (A).

12. Remove the spring clip/washer (B) and control pin (C), then separate the shift cable end (D) from the control lever (E).






13. Remove the shift cable bracket from the steering gearbox stiffener.

14. Remove the heat shield under the shift cable grommet.






15. Remove the shift cable grommet, and pull out the shift cable.

16. Insert the new shift cable through the grommet hole, and install the grommet in its hole. Do not bend the shift cable excessively.

17. Install the heat shield.

18. Secure the shift cable bracket on the steering gearbox stiffener with the bolt.






19. Apply molybdenum grease to the hole in the bushing (A) in the shift cable end (B).

20. Attach the shift cable end to the control lever (C), then insert the control pin (D) into the control lever hole through the shift cable end, and secure the control pin with the spring clip/washer (E).

21. Secure the shift cable bracket (F) with the nuts.

22. Install the shift cable on the shift lever bracket, and adjust the shift cable. Adjustments

23. Install the air cleaner. Service and Repair

24. Install the battery base.

25. Do the battery installation procedure. Removal and Replacement

26. Reinstall the center console. Center Console Removal/Installation