Curiosii for ever!: Car repair manuals for everyone.

Power Relay Test




Power Relay Test

Special Tools Required

- Relay puller 07AAC-000A1A0
Use this chart to identify the type of relay, then do the test listed for it.

NOTE: For the turn signal/hazard relay 1 input test. Turn Signal/Hazard Relay 1 Input Test





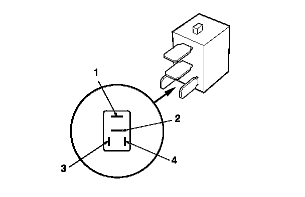
*: Carefully remove the relay using the relay puller. Do not use pliers. Pliers will damage the relay.

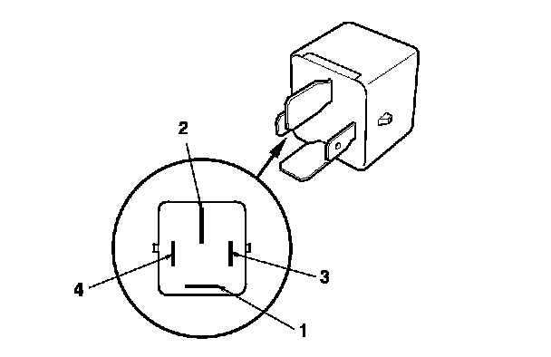
Normally-open Type A

Check for continuity between the terminals.

- There should be continuity between the No. 1 and No. 2 terminals when power is connected to the No. 4 terminal and ground to the No. 3 terminal.

- There should be no continuity between the No. 1 and No. 2 terminals when power is disconnected.













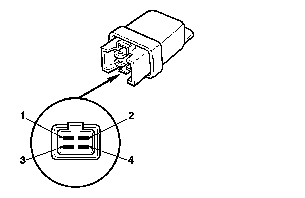
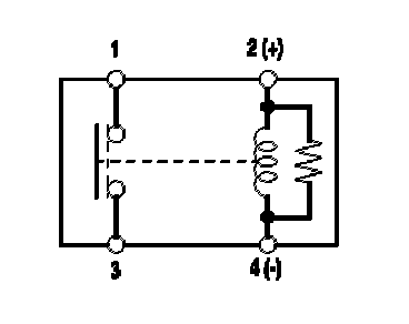
Normally-open Type B

Check for continuity between the terminals.

- There should be continuity between the No. 1 and No. 3 terminals when power and ground are connected to the No. 2 and No. 4 terminals.

- There should be no continuity between the No. 1 and No. 3 terminals when power is disconnected.









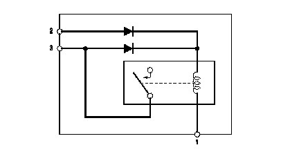
Normally-open Type C

Check for continuity between the terminals.

- There should be continuity between the No. 4 and No. 2 terminals when battery positive terminal is connected to the No. 3 terminal, and battery negative terminal is connected to the No. 1 terminal.

- There should be no continuity between the No. 4 and No. 2 terminals when power is disconnected.









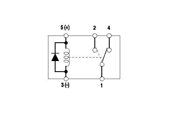
Five-terminal Type B

Check for continuity between the terminals.

- There should be continuity between the No. 1 and No. 2 terminals when power is connected to the No. 5 terminal and ground to the No. 3 terminal.

- There should be continuity between the No. 1 and No. 4 terminals when power is disconnected.









Turn Signal/Hazard Relay 2 (sounder)

Check for a sound from the turn signal/hazard relay 2. The relay should sound once when power and ground are connected to the No. 2 and No. 1 terminals, and No. 3 and No. 1 terminals.