Curiosii for ever!: Car repair manuals for everyone.

Heater Core Case: Service and Repair




Heater Unit/Core Replacement

SRS components are located in this area. Review the SRS component locations Locations and the precautions and procedures Service and Repair before doing repairs or service.

1. Do the battery terminal disconnection procedure. Procedures

2. Disconnect the A/C lines from the evaporator core. Service and Repair

3. From under the hood open the cable clamp (A), then disconnect the heater valve cable (B) from the heater valve arm (C). Turn the heater valve arm to the fully opened position as shown.

4. When the engine is cool, drain the engine coolant from the radiator. Service and Repair






5. Slide the hose clamps (A) back. Remove the bolt and the water valve bracket, then disconnect the inlet heater hose (B) and the outlet heater hose (C) from the heater unit.
Engine coolant will run out when the hoses are disconnected; drain it into a clean drip pan. Be sure not to let coolant spill on the electrical parts or the painted surfaces. If any coolant spills, rinse it off immediately.






6. Remove the mounting nut from the heater unit. Take care not to damage or bend the fuel lines and the brake lines, etc.

7. Remove the dashboard. Dashboard Replacement






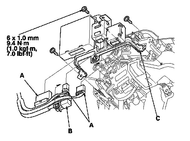
8. Disconnect the connectors (A) from the adaptive front lighting control unit, the electronically controlled power steering control unit, and the daytime running lights control unit. Remove the relay (B), the bolt, and the self-tapping screws, then remove the bracket (C).






9. Disconnect the connectors (A) from the driver's cool vent control motor, the driver's air mix control motor, the mode control motor, and the evaporator temperature sensor, then remove the wire harness clips (B).






10. Disconnect the connectors (A) from the blower motor, the power transistor, the control motor relay, the throttle actuator control module subharness, and the dashboard wire harnesses. Remove the self-tapping screw (B), the connector clip (C) and the wire harness clips (D).






11. Disconnect the connectors (A) from the recirculation control motor, the passenger's cool vent control motor, the passenger's air mix control motor, and the rear vent control motor, and then remove the wire harness clip (B) and the wire harness (C).






12. Remove the clips (A), the mounting nuts, and the blower-heater unit (B).






13. Remove the self-tapping screws and the passenger's heater duct (A), then remove the expansion valve cover (B), the bolts, and the expansion valve (C). Remove the self-tapping screws, the joint duct (D), and the heater core cover (E). Remove the self-tapping screws, the heater pipe brackets (F), and the grommets (G), then carefully pull out the heater core (H).

14. Install the heater core and the evaporator core in the reverse order of removal.

15. Install the heater unit in the reverse order of removal, and note these items:
- Do not interchange the inlet and the outlet heater hoses, and install the hose clamps securely.

- Refill the cooling system with engine coolant. Service and Repair

- Adjust the heater valve cable. Adjustments

- Make sure that there is no coolant leakage.

- Make sure that there is no air leakage.

16. Do the battery terminal reconnection procedure. Procedures