Curiosii for ever!: Car repair manuals for everyone.

Power Mirror Motor: Service and Repair




Power Mirror Actuator Replacement

Actuator Replacement

1. Remove the mirror holder. Mirror Holder Replacement

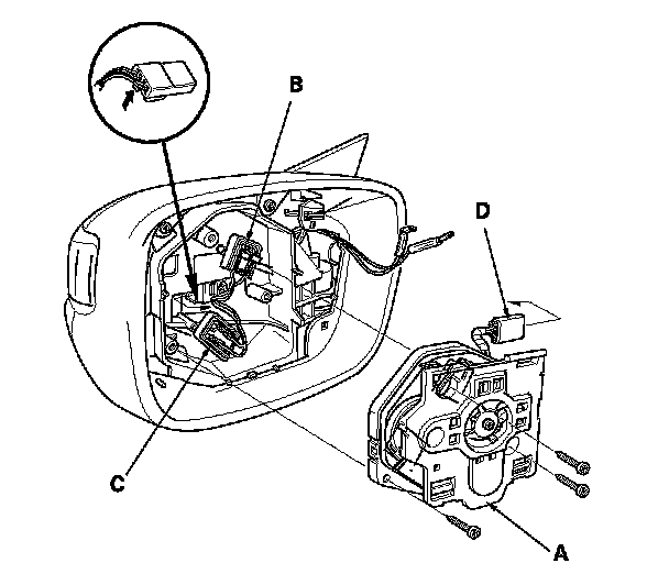
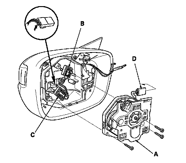
2. Remove the three mounting screws from the power mirror actuator (A), then pull the actuator, out slightly.

3. Disconnect the gray connector (B) and the black connector (C) from the actuator, then disconnect the position sensor 4P connector (D).

4. Install a new actuator in the reverse order of removal.

5. Operate the power mirror to ensure smooth operation.






Actuator Harness Replacement

1. Remove the front door sash inner trim, Front Door Sash Inner Trim Replacement and door panel.

2. Remove the mirror holder, Mirror Holder Replacement then remove the power mirror from the door. Power Mirror Replacement

3. Remove the three mounting screws from the power mirror actuator (A), then pull the actuator, out slightly.

4. Disconnect the gray connector (B) and the black connector (C) from the actuator, then disconnect the position sensor 4P connector (D).






5. Record the power mirror 16P connector terminal locations and wire colors.

6. Disassemble the power mirror 16P connector (A), and remove all the terminals from it.






7. Remove the gasket (A), and remove the screw and clamp (B).






8. Remove the lower cover (A).

9. Remove the three TORX screws, and separate the mirror housing (B) from the bracket (C).






10. Disassemble the mirror housing by removing the four screws, then disconnect the 2P connector (A) from the side turn signal light (B).
NOTE: Remove the screw (C) first.

11. Route a new wire harness through the hole in the bracket and the gasket in the reverse order of removal.

12. Connect the connectors to the actuator and the side turn signal light securely.

13. Install the actuator, housing, and the bracket in the reverse order of removal.






14. Insert the new harness terminals into the 16P connector in the original arrangement.

15. Apply tape to seal the intersection of the wire harness and the gasket.

16. Install the power mirror on the door, and make sure the actuator, mirror defogger, and side turn signal light operation.