Curiosii for ever!: Car repair manuals for everyone.

Electronic Control System

Electronic Control System

Functional Diagram
The electronic control system consists of the powertrain control module (PCM), the sensors, and the solenoid valves. Shifting and lock-up are electronically controlled for comfortable driving under all conditions.

The PCM receives input signals from the sensors, the switches, and other control units, processes data, and outputs signals for the engine control system and the A/T control system. The A/T control system includes shift control, grade logic control, clutch pressure control, and lock-up control.

The PCM activates the shift solenoid valves and the A/T clutch pressure control solenoid valves to control shifting transmission gears and lock-up torque converter clutch.





Shift Control
The PCM instantly determines which gear should be selected by various signals sent from sensors and switches, and it actuates shift solenoid valves A, B, C, D, and E to control gear selection.

A grade logic control system has been adopted to control shifting in D and D3. The PCM compares actual driving conditions with programmed driving conditions, based on the input from the accelerator pedal position sensor, the engine coolant temperature sensor, the barometric pressure sensor, the brake pedal position switch signal, and the shift lever position signal, to control shifting while the vehicle is ascending or descending a slope.





The PCM turns shift solenoid valves A, B, C, D, and E ON and OFF to control gear selection. The combination of driving signals to shift solenoid valves A, B, C, D, and E are shown in table.





Grade Logic Control: Ascending Control
When the PCM determines that the vehicle is climbing a hill in D and D3, the system extends the engagement area of 2nd, 3rd, and 4th gears to prevent the transmission from frequently shifting between 2nd and 3rd gears, between 3rd and 4th gears, and between 4th and 5th gears, so the vehicle can run smooth and have more power when needed.

Shift schedules stored in the PCM between 2nd and 3rd gears, between 3rd and 4th gears, and between 4th and 5th gears, enable it to automatically select the most suitable gear according to the magnitude of a gradient.





Grade Logic Control: Descending Control
When the PCM determines that the vehicle is going down a hill in D and D3, the shift-up speed from 4th to 5th gear, from 3rd to 4th gear, and from 2nd to 3rd gear (when the throttle is closed) becomes faster than the set speed for flat road driving to widen the 4th gear, 3rd gear, and 2nd gear driving area. This, in combination with engine braking from the deceleration lock-up, achieves smooth driving when the vehicle is descending. There are three descending modes with different 4th gear driving areas, 3rd gear driving areas, and 2nd gear driving areas according to the magnitude of a gradient stored in the PCM. When the vehicle is in 5th gear or 4th gear, and you are decelerating when you are applying the brakes on a steep hill, the transmission will downshift to a lower gear. When you accelerate, the transmission will then return to a higher gear.





Clutch Pressure Control
The PCM actuates A/T clutch pressure control solenoid valves A, B, and C to control the clutch pressure. When shifting between lower and higher gears, the clutch pressure regulated by A/T clutch pressure control solenoid valves A, B, and C engages and disengages the clutch smoothly.

The PCM receives input signals from the various sensors and switches, processes data, and outputs current to A/T clutch pressure control solenoid valves A, B, and C.





Lock-up Control
Shift solenoid valve E controls the hydraulic pressure to switch the lock-up shift valve and lock-up ON and OFF. The PCM actuates shift solenoid valve E and A/T clutch pressure control solenoid valve A to control the torque converter clutch lock-up. When shift solenoid valve E is turned ON, lock-up starts.

A/T clutch pressure control solenoid valve A regulates and applies the hydraulic pressure to the lock-up control valve to control the amount of the lock-up.

The lock-up mechanism operates in 2nd, 3rd, 4th, and 5th gears in D, 2nd and 3rd gears in D3, and 3rd, 4th, and 5th gears in M.




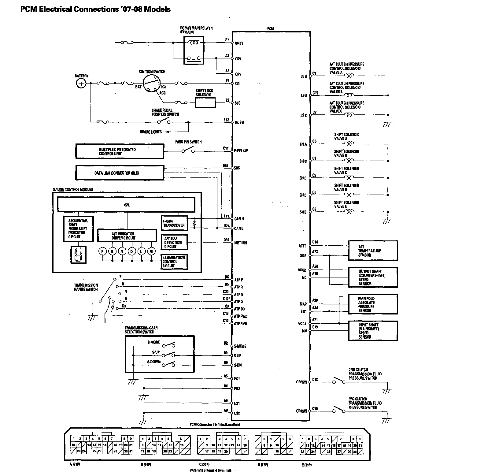
PCM Electrical Connections '07-08 Models:





PCM Inputs and Outputs

PCM Inputs And Outputs (Part 1):




PCM Inputs And Outputs (Part 2):




PCM Inputs And Outputs (Part 3):




PCM Inputs And Outputs (Part 4):




PCM Inputs And Outputs (Part 5):