Curiosii for ever!: Car repair manuals for everyone.

Engine Installation

Engine Installation

Special Tools Required
Universal eyelet 07AAK-SNAA120

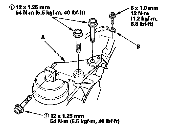
1. Install the accessory brackets and tighten their bolts to the specified torque.





2. Attach the chain hoist to the engine/transmission, then install the engine/transmission into position in the vehicle.

NOTE: Reinstall the mounting bolts/support nuts in the sequence given in the following steps. Failure to follow this sequence may cause excessive noise, vibration, and reduce bushing life.

3. Tighten the front mount bolt (A), then install the front mount stop (B), vacuum hose clamp bracket (C), and vacuum hose (D).





4. Tighten the rear mount bolt (A), then install the rear mount stop (B).





5. Install the upper bracket (A), then tighten the bolts in the sequence shown.





6. Install the ground cable (B).
7. M/T model: Loosen the transmission upper mount bolt (A), then install the transmission upper mount/bracket assembly (B), clutch line clamp bracket (C), and ground cable (D).





8. A/T model: Install the transmission upper mount (A), transmission upper bracket (B), and ground cable (C), then loosely install the transmission upper bracket plate (D).





9. M/T model: Tighten the transmission upper mount bolt.





10. A/T model: Tighten the transmission upper mount bracket plate mounting bolts (A) and the transmission upper mount bolt (B).





11. Remove the chain hoist from the engine/transmission then remove the universal eyelet (07AAK-SNAA120).
12. Raise the vehicle on the lift to full height.
13. Tighten the nuts securing the transmission lower front mount and transmission lower rear mount.





14. Install exhaust pipe A. Use new gaskets (B) and new self locking nuts (C).





15. A/T model: Install the shift cable.
16. Install a new set ring on the end of each driveshaft, then install the driveshafts. Make sure each ring "clicks" into place in the differential and intermediate shaft.
17. Connect the suspension lower arm ball joints.
18. Install the damper forks.
19. Connect the stabilizer links.
20. Install the splash shield.
21. Lower the vehicle on the lift.
22. Check the quick connector (A) and set ring (B) for cracks or damage. If the connector and/or set ring are cracked or damaged, replace the connector.





23. Make sure the set ring is in place inside the quick connector. If the set ring is off the connector, replace the quick connector.
24. Replace the O-ring (C) in the quick connector.
25. Check the lock (D). If the lock is damaged or deformed, replace it. When installing the new lock to the connector, slide it straight down along the groove.
26. Clean the connecting surface of the radiator (E), then apply clean engine coolant around the connecting surface.
27. Push down the lock (A), then push the quick connector (B) onto the radiator until you hear it click.





28. Install the upper radiator hose (A) and heater hoses (B).





29. A/T model: Install the automatic transmission fluid (ATF) cooler hoses.
30. Install the A/C compressor.





31. Install the power steering (P/S) pump (A) and the P/S hose clamp (B).





32. Install the drive belt.
33. Connect the air fuel ratio (A/F) sensor connector.





34. M/T model: Install the select cable and shift cable.
35. M/T model: Install the clutch slave cylinder and clutch line bracket mounting bolt.
36. Push the engine control module (ECM)/powertrain control module (PCM) connectors through the bulkhead, then install the grommet (A) and harness clamps (B).





37. Connect the accelerator pedal position (APP) sensor connector (C).
38. Connect the ECM/PCM connectors (A) and main wire harness connectors (B).





39. Install the evaporative emission (EVAP) canister hose (A) and brake booster vacuum hose (B).





40. Connect the fuel feed hose (A), then install the quick-connect fitting cover (B). Make sure the connector engages fully.





41. Install the strut brace (A), then install the harness clamp (B) and bolt (C).





42. Connect the harness connector (A).





43. Install the under-hood fuse/relay box (B), then install the battery cables (C).
44. Install the battery base (A), then install the harness clamps (B) and harness bracket (C).





45. Install the air cleaner assembly.
46. Install the battery. Clean the battery posts and cable terminals, then assemble them and apply grease to prevent corrosion.
47. A/T model: Move the shift lever to each gear, and verify that the A/T gear position indicator follows the transmission range switch.
48. M/T model: Check that the transmission shifts into gear smoothly.
49. Inspect for fuel leaks. Turn the ignition switch ON (II) (do not operate the starter) so the fuel pump runs for about 2 seconds and pressurizes the fuel line. Repeat this operation three times, then check for fuel leakage at any point in the fuel line.
50. Refill the engine with engine oil.
51. Refill the transmission with fluid.
52. Refill the radiator with engine coolant, and bleed air from the cooling system with the heater valve open.
53. Do the ECM/PCM reset procedure.
54. Do the ECM/PCM idle learn procedure.
55. Do the crankshaft position (CKP) pattern clear/CKP pattern learn procedure.
56. Inspect the idle speed.
57. Inspect the ignition timing.
58. Enter the anti-theft codes for the audio system and the navigation system (if equipped), then enter the audio presets.
59. Set the clock (on vehicles without navigation).