Curiosii for ever!
: Car repair manuals for everyone.
Home
>>
Acura
>>
2008
>>
TSX L4-2.4L
>>
Repair and Diagnosis
>>
Diagrams
>>
Electrical Diagrams
>>
Powertrain Management
>>
Computers and Control Systems
>>
Information Bus
>>
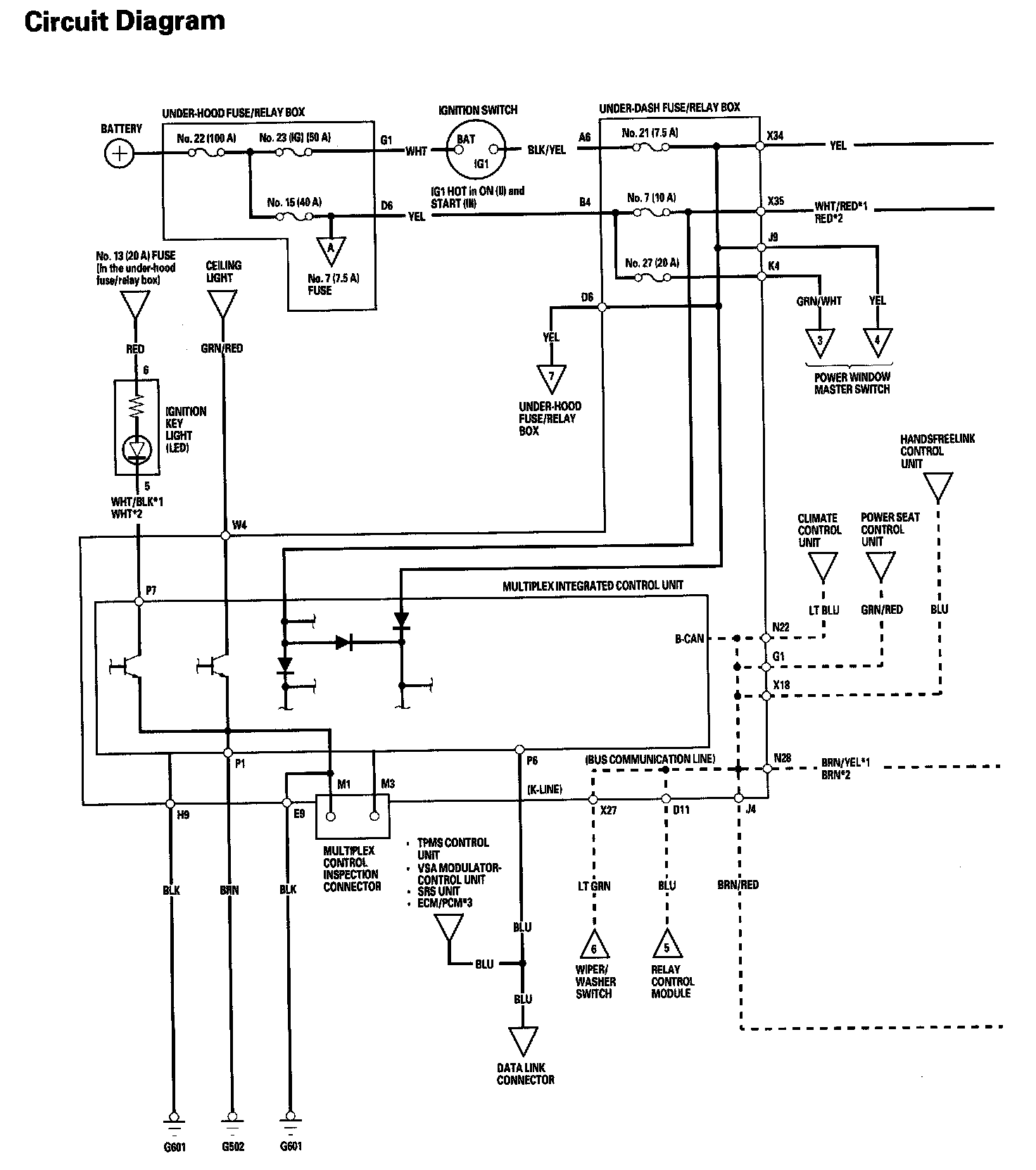
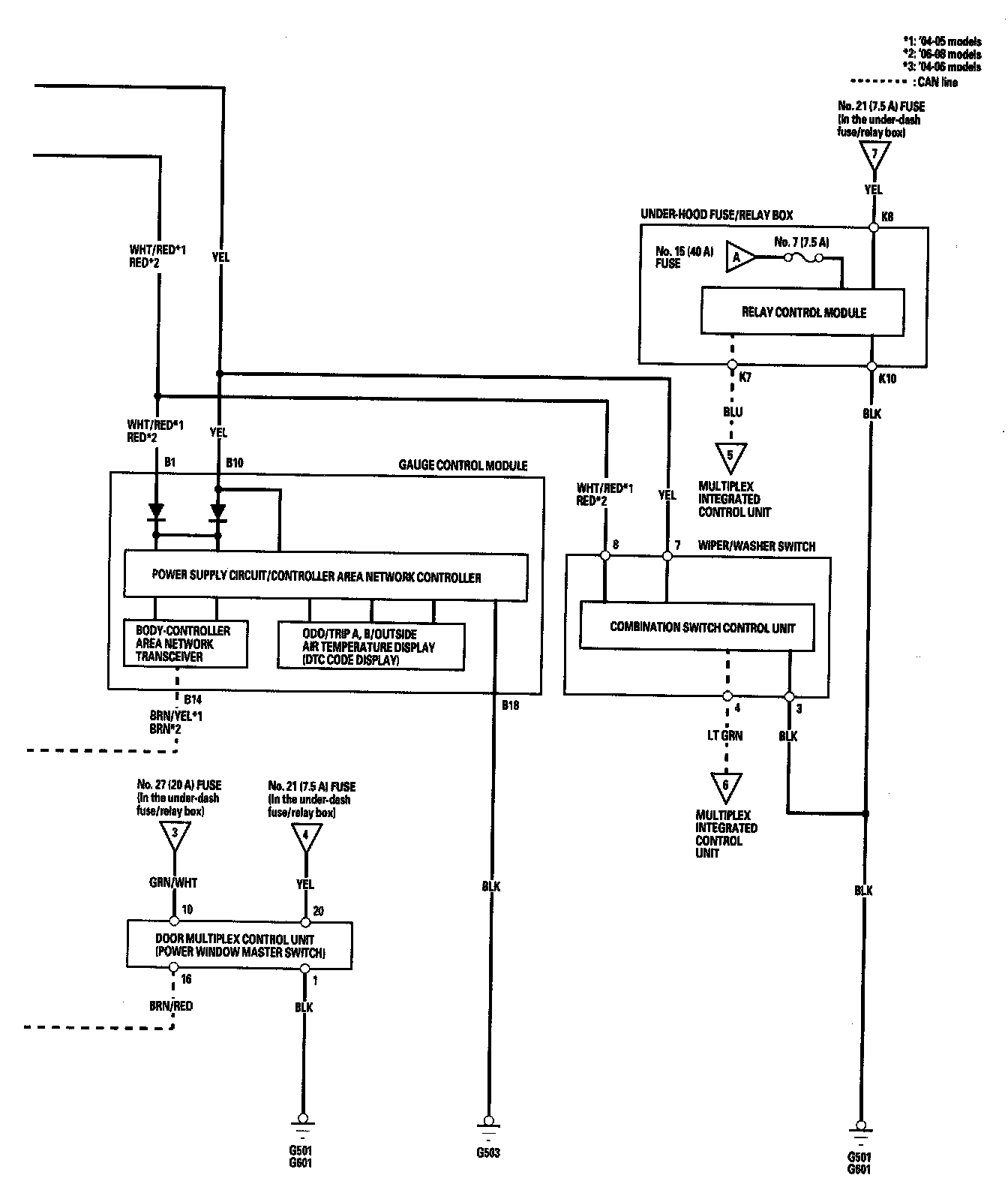
Multiplex Integrated Control System Circuit Diagram
Multiplex Integrated Control System Circuit Diagram
Multiplex Integrated Control System Circuit Diagram (Part 1):
Multiplex Integrated Control System Circuit Diagram (Part 2):