Curiosii for ever!: Car repair manuals for everyone.

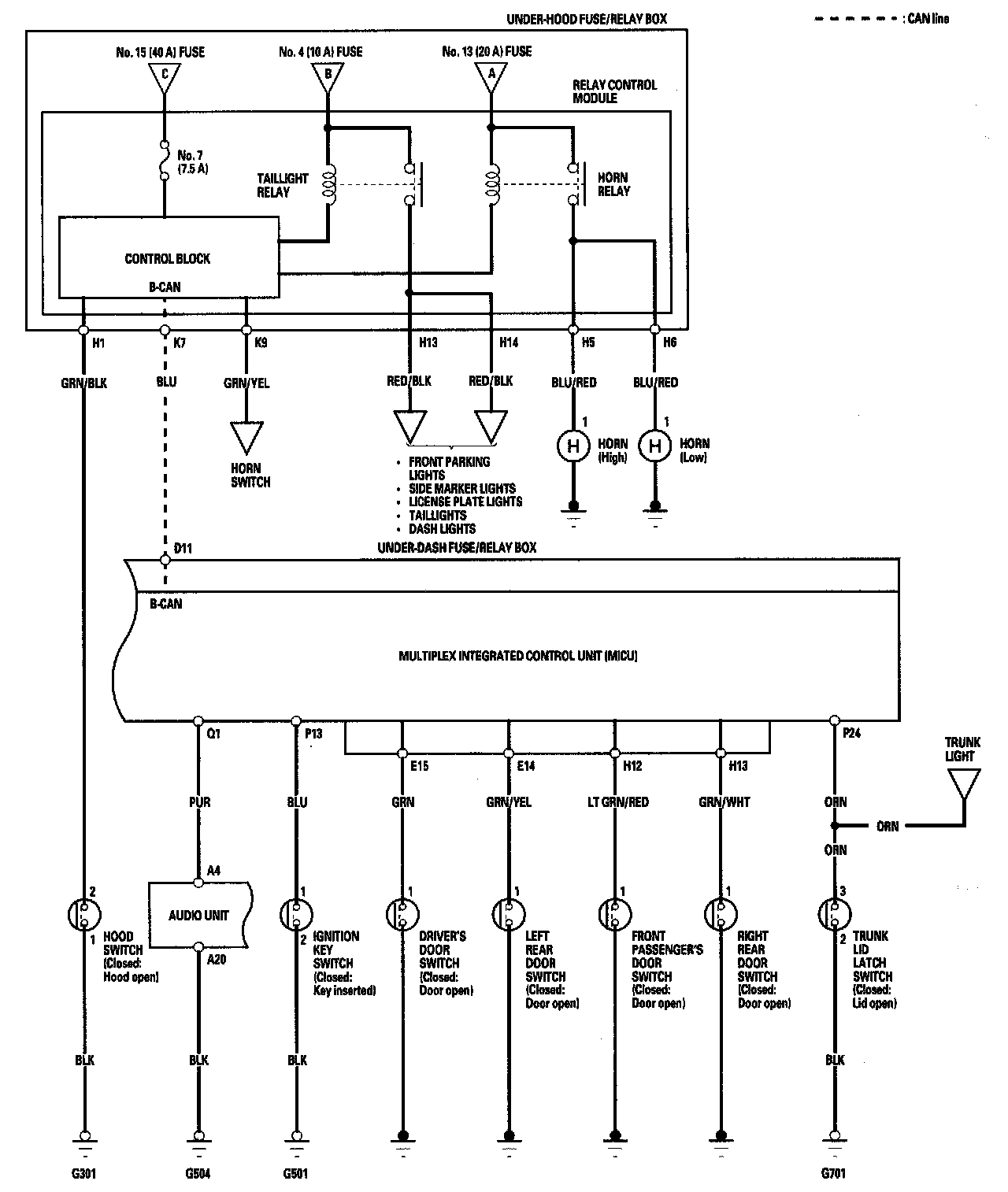
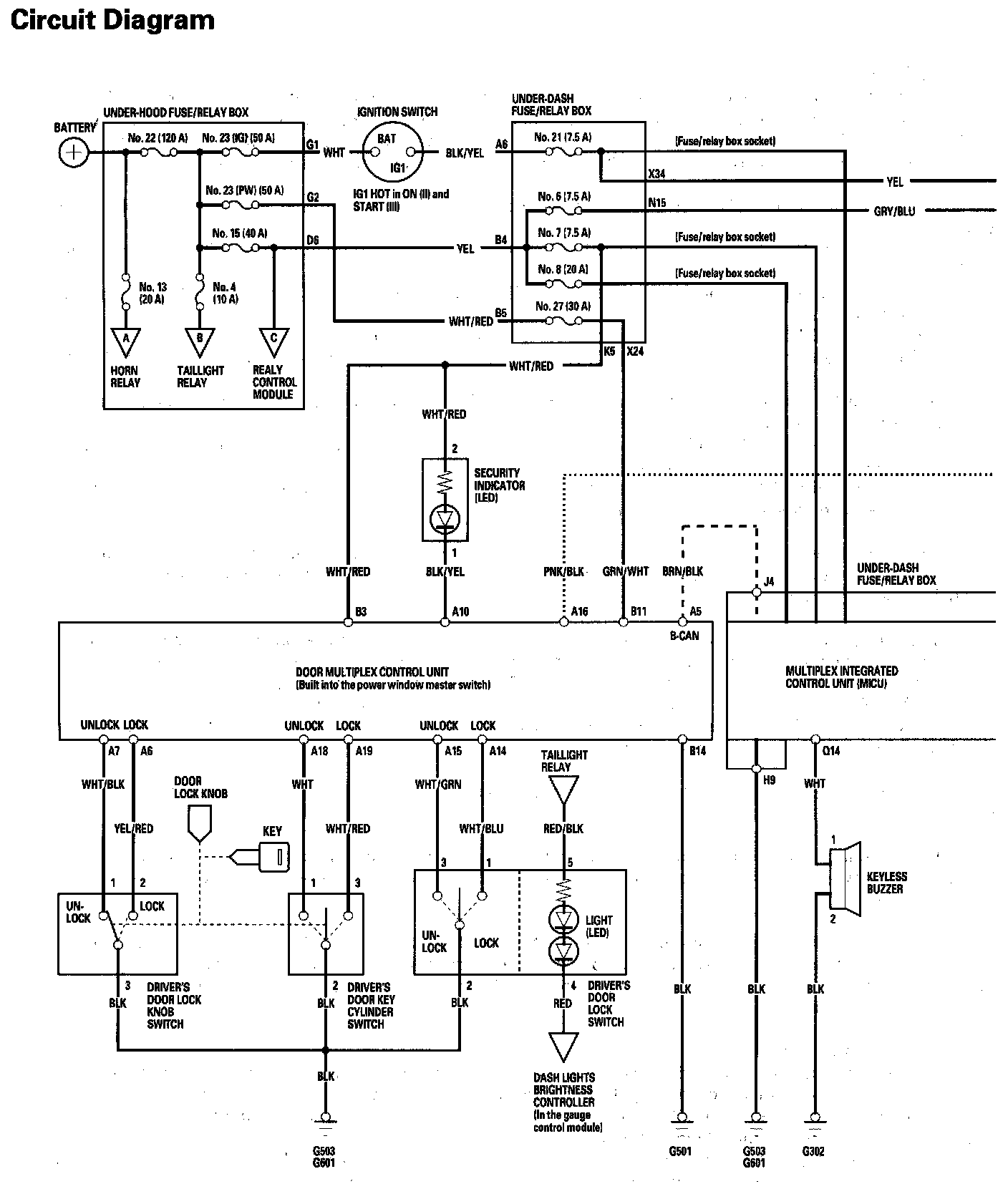
Keyless/Power Door Locks/Security System Circuit Diagram

Keyless/Power Door Locks/Security System Circuit Diagram Part 1:



Keyless/Power Door Locks/Security System Circuit Diagram Part 2:



Keyless/Power Door Locks/Security System Circuit Diagram Part 3: