Curiosii for ever!
: Car repair manuals for everyone.
Home
>>
Acura
>>
2008
>>
TL V6-3.5L
>>
Repair and Diagnosis
>>
Diagrams
>>
Electrical Diagrams
>>
Diagrams By Number
>>
Diagram Set 143 (DPMS)
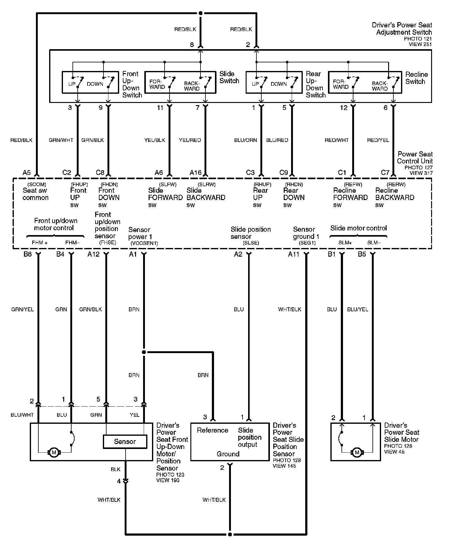
Diagram Set 143 (DPMS)
Diagram 143-0:
Diagram 143-1:
Diagram 143-2:
Diagram 143-3:
Diagram 143-4:
Diagram 143-5:
Diagram 143-6: