Curiosii for ever!: Car repair manuals for everyone.

Removal and Replacement

Alternator Removal and Installation

Removal

1. Make sure you have the anti-theft codes for the audio system and the navigation system (if equipped).
2. Disconnect the negative cable from the battery.
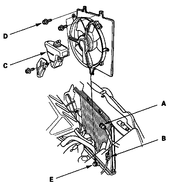
3. Disconnect the A/C condenser fan motor connector (A) and the A/C compressor clutch connector (B), then remove the coolant reservoir (C).






4. Remove the two upper bolts (D), loosen the lower bolt (E), then remove the A/C condenser fan shroud assembly.
5. Remove the drive belt.
6. Disconnect the alternator connector (A) and the BLK wire (B) from the alternator.






7. Remove the bolt (C) securing the harness bracket.
8. Remove the mounting bolt (A) and alternator bracket mounting bolt (B), then remove the alternator.






Installation

1. Install the alternator, then tighten the mounting bolt (A) and alternator bracket mounting bolt (B).






2. Connect the alternator connector (A) and the BLK wire (B) to the alternator. Make sure the crimped side of the ring terminal faces away from the alternator when you connect it.






3. Install the bolt (C) securing the harness bracket.
4. Install the drive belt.
5. Install the A/C condenser fan shroud assembly.






6. Install the coolant reservoir (A), and connect the A/C condenser fan motor connector (B) and the A/C compressor clutch connector (C).
7. Connect the negative cable to the battery.
8. Enter the anti-theft codes for the audio system and the navigation system (if equipped).
9. Set the clock (on vehicles without navigation).