Curiosii for ever!: Car repair manuals for everyone.

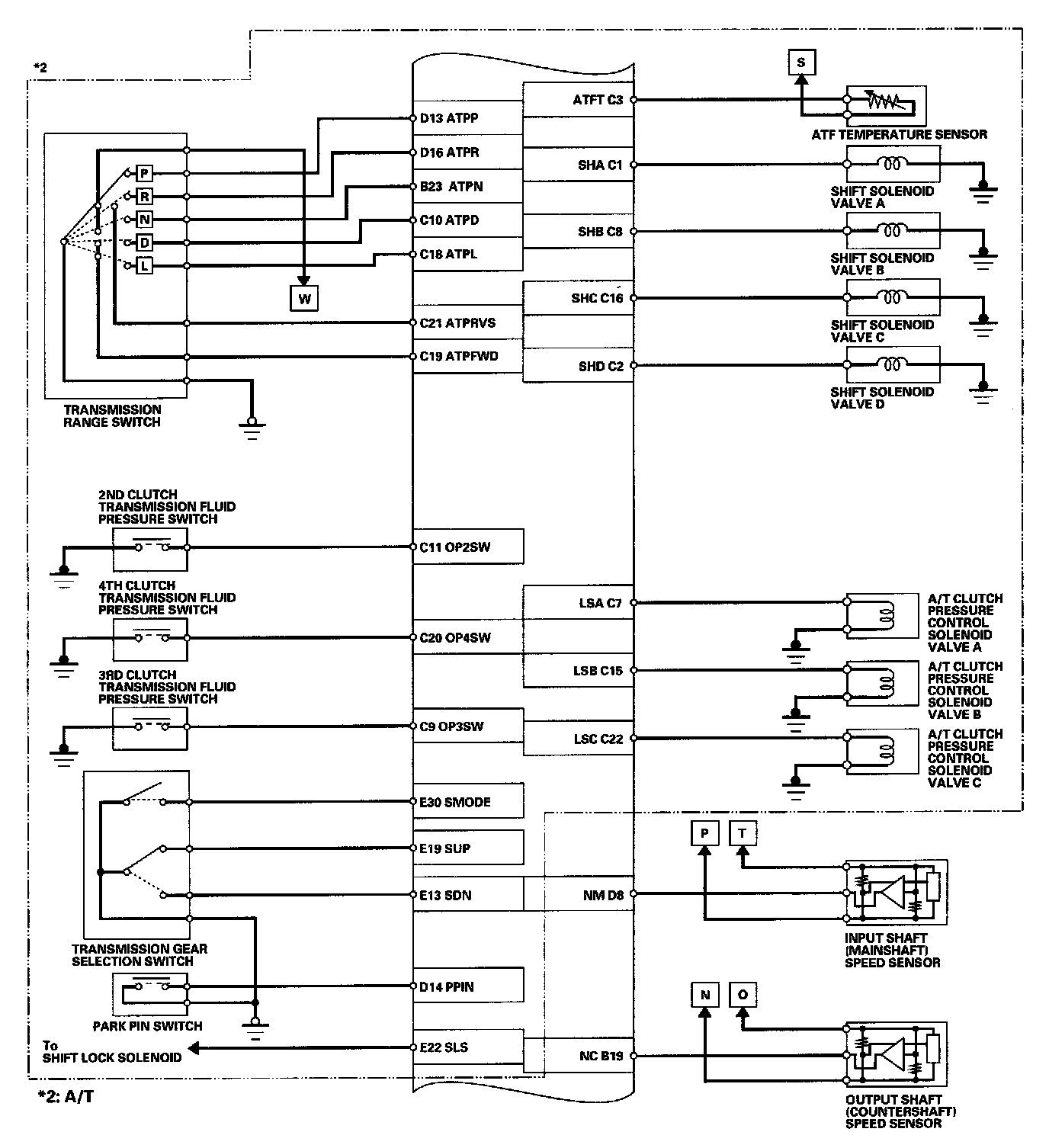
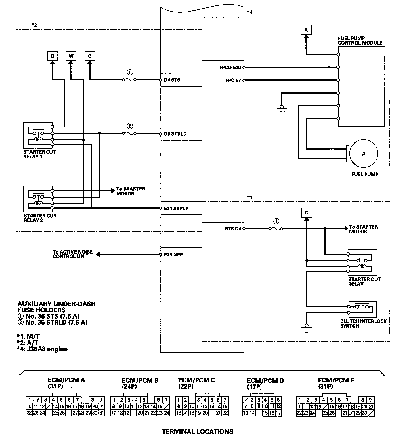
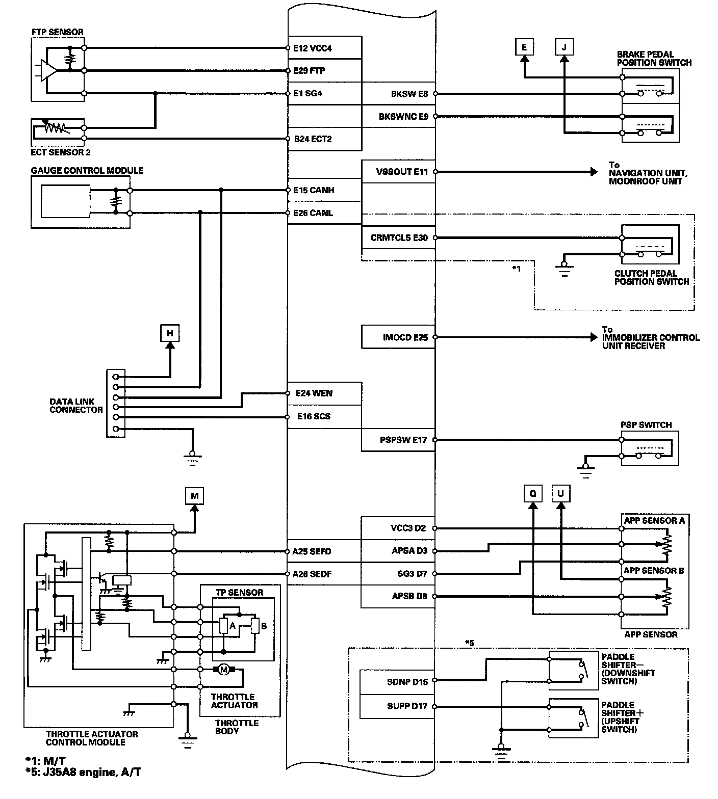
ECM/PCM Electrical Connections

ECM/PCM Electrical Connections Part 1:



ECM/PCM Electrical Connections Part 2:



ECM/PCM Electrical Connections Part 3:



ECM/PCM Electrical Connections Part 4:



ECM/PCM Electrical Connections Part 5:



ECM/PCM Electrical Connections Part 6: